[GC7000TFE] GENERATORE ANOVA TRIFASE - GC7000TFE
Istruzioni
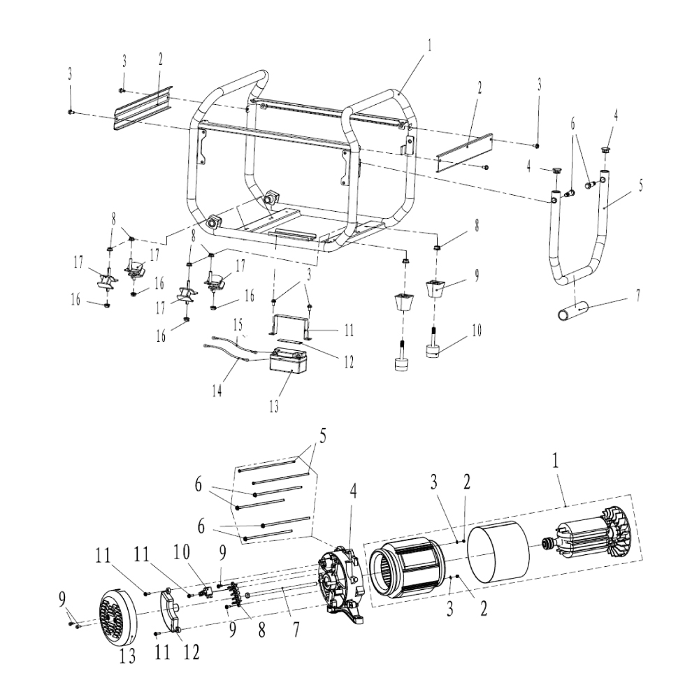
Seleziona un quadrante sull'esploso per visualizzare le parti in quell'area. È possibile ingrandire la vista esplosa.
GC7000TFE-02
1A
0,0,0
GC5500-29
1A
0,0,0
COPERCHIO DEL PANNELLO DI CONTROLLO PRINCIPALE GC3500 GC5500 GC7000E GC8500E GC7000TFE GC5500TFE GC5500TFE
Rif: GC5500-38
Numero:
Quadranti: 1A
GC5500-38
1A
0,0,0
Nessun elemento corrisponde ai filtri di ricerca