[OR7320] CARRELLO ELEVATORE CINGOLATO ANOVA - OR7320
Istruzioni
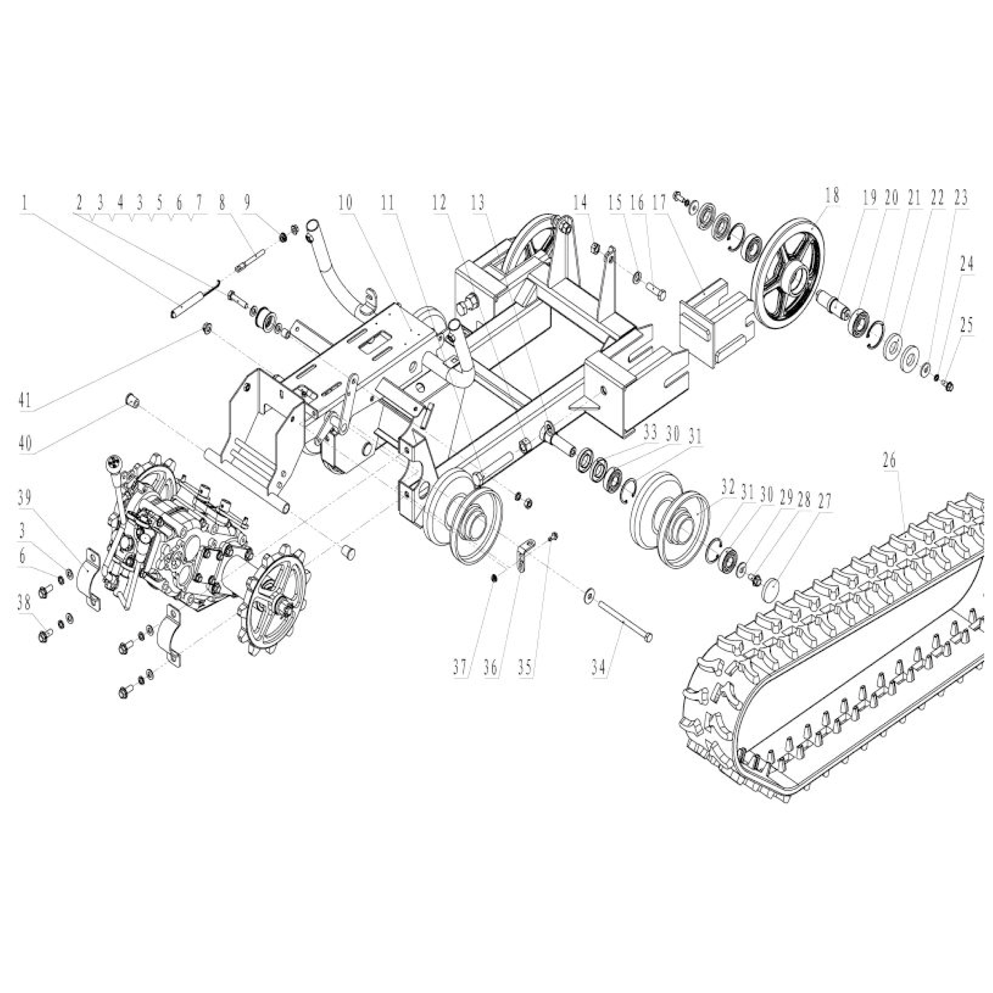
Seleziona un quadrante sull'esploso per visualizzare le parti in quell'area. È possibile ingrandire la vista esplosa.
A
B
C
1
2
3
A
B
C
1
2
3
A
B
C
1
2
3
A
B
C
1
2
3
A
B
C
1
2
3
A
B
C
1
2
3
A
B
C
1
2
3
A
B
C
1
2
3
OR7320-001
6
2C, 3C
1,2,1;1,2,2
OR7320-002
3
2C, 3C
1,2,1;1,2,2
OR7320-004
6
2A, 2B, 3B
6,1,2;7,0,1;7,1,1
OR7320-005
26
2C, 3C
3,2,1;3,2,2
OR7320-006
4
1A, 1B, 2A, 2B, 2B, 2C, 3B
6,1,1;6,2,1;6,1,2;7,0,0;7,1,0;7,0,1;7,1,1
OR7320-009
10
2B, 2C, 3B, 3C
2,2,1;2,1,2;2,1,1;2,2,2
OR7320-012
19
1C
3,2,0
OR7320-013
18
1C
3,2,0
OR7320-014
22
1C, 2C
3,2,0;3,2,1
OR7320-015
10
1B, 2A, 2B
3,1,0;3,1,1;3,0,1
OR7320-016
32
2B, 2C
3,2,1;3,1,1
OR7320-018
11, 34
1B, 2B, 3B
3,1,1;3,1,0;3,1,2
OR7320-019
20
1B, 1C, 1C, 2A, 2C, 2C, 3A
3,2,1;3,2,0;5,2,1;5,1,0;5,2,0;5,0,1;5,0,2
OR7320-021
12
1B, 2B
4,1,0;4,1,1
OR7320-022
56
2A, 3A
5,0,1;5,0,2
OR7320-023
21
2B, 2C
4,1,1;4,2,1
OR7320-025
29
2C
4,2,1
OR7320-028
36
2B, 3B
4,1,1;4,1,2
OR7320-030
2
1A, 2A
5,0,0;5,0,1
OR7320-031
5
1A, 2A
5,0,1;5,0,0
OR7320-032
7
1A, 2A, 2B
5,0,0;5,0,1;5,1,1
OR7320-033
20
1C, 2C
5,2,1;5,2,0
OR7320-034
24
2C
5,2,1
OR7320-035
53
2A, 2B, 3A, 3B
5,0,2;5,1,2;5,1,1;5,0,1
OR7320-037
13
2C, 3B, 3C
0,2,2;0,2,1;0,1,2
OR7320-038
7
3C
0,2,2
OR7320-039
11
3C
0,2,2
OR7320-040
12
3B, 3C
0,2,2;0,1,2
OR7320-041
2
1A, 2A
0,0,1;0,0,0
OR7320-043
6
1C
2,2,0
OR7320-044
18
1C, 2B
4,2,0;4,1,1
OR7320-045
10
1A, 1B, 2A
4,0,1;4,1,0;4,0,0
OR7320-046
21
2B, 2C
4,2,1;4,1,1
OR7320-047
22
2B, 2C
4,2,1;4,1,1
OR7320-051
1A, 1B, 1C, 2A, 2B, 2C, 3A, 3B, 3C
5,0,1;5,0,0;5,1,0;5,1,1;5,2,1;5,2,2;5,1,2;5,0,2;5,2,0
OR7320-052
27
2C
5,2,1
OR7320-053
39
3B, 3C
5,2,2;5,1,2
OR7320-055
5
1B, 1C, 2B
2,1,0;2,1,1;2,2,0
MC200-43
7
1C, 2C
2,2,1;2,2,0
CABLE COMPLETO DESBLOQUEO VOLQUETE OR7320 (H9)
Rif: OR7320-079
Numero: 8-9-10-11
Quadranti: 2A, 2B, 3A, 3B
OR7320-079
8-9-10-11
2A, 2B, 3A, 3B
7,1,1;7,0,1;7,0,2;7,1,2
OR7320-073
4
1C, 2C
7,2,1;7,2,0
Nessun elemento corrisponde ai filtri di ricerca