[TC86M] TRACTOR CORTACESPED ANOVA 86CM - LONCIN 352cc
Instruções
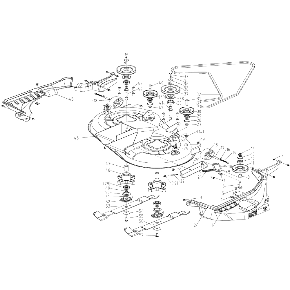
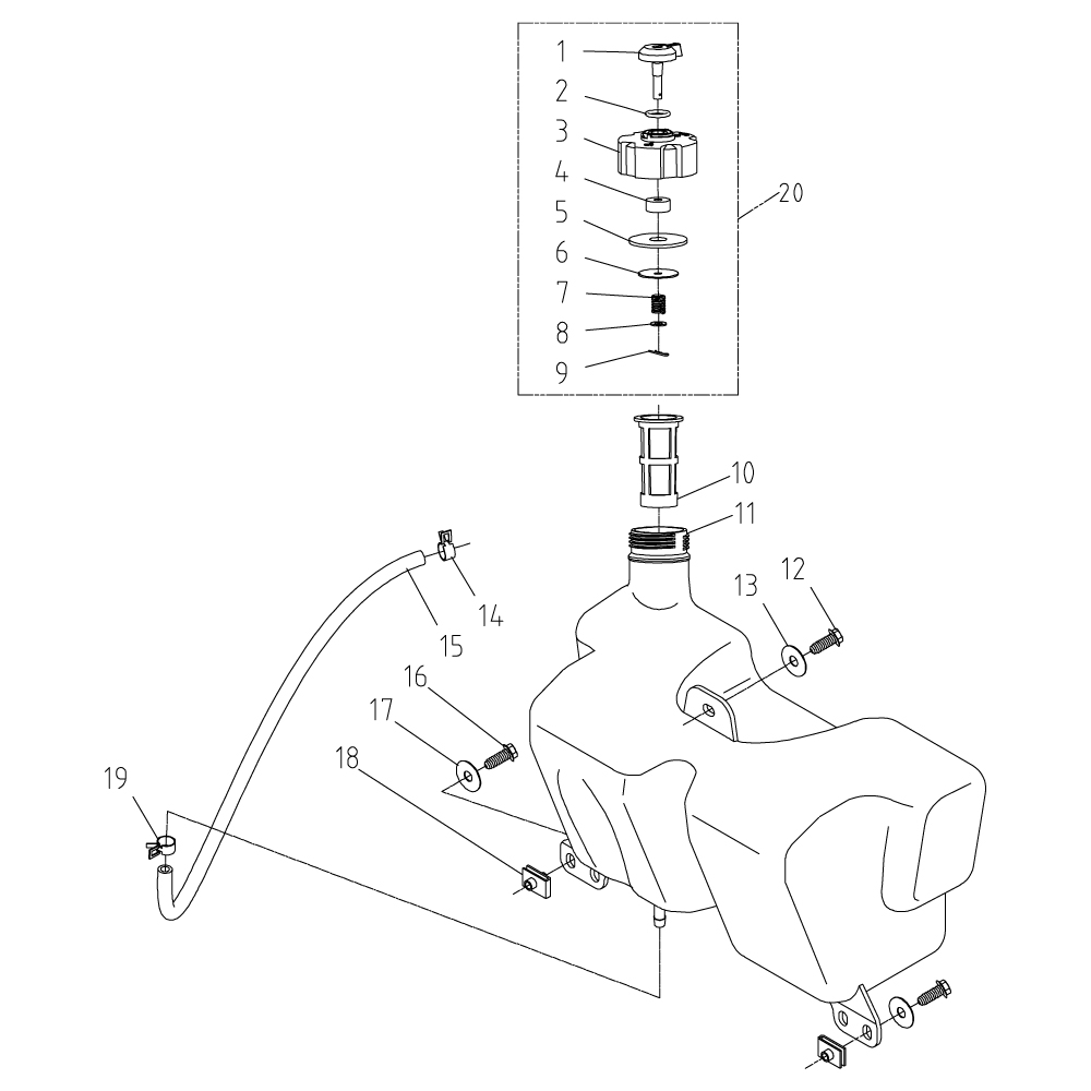
Selecione um quadrante na vista explodida para exibir as peças naquela área. Você pode ampliar para a vista explodida.
A
B
C
1
2
3
A
B
C
1
2
3
A
B
C
1
2
3
A
B
C
1
2
3
A
B
C
1
2
3
A
B
C
1
2
3
A
B
C
1
2
3
A
B
C
1
2
3
A
B
C
1
2
3
A
B
C
1
2
3
A
B
C
1
2
3
A
B
C
1
2
3
A
B
C
1
2
3
TC86M-002
56 (J)
3B
9,1,2
TC86M-003
53 (J)
3A, 3B
9,0,2;9,1,2
TC86M-004
13 (J)
2C
9,2,1
TORNILLO DE AJUSTE MUELLE TENSOR CORREA TC86M, TC92H (30) TC98LH (28)
Ref: TC86M-005
Número: 30 (I)
Quadrantes: 3A
TC86M-005
30 (I)
3A
8,0,2
E-CLIP 37 SUCCION RODAMIENTO POLEA TC86M, TC92H (28)
Ref: TC86M-006
Número: 28 (J)
Quadrantes: 2B, 2C
TC86M-006
28 (J)
2B, 2C
9,1,1;9,2,1
TORNILLO CUCHILLA ROSCA IZQUIERDA 3/8-24 1.25 TC86M, TC92H (57)
Ref: TC86M-007
Número: 57 (J)
Quadrantes: 3B
TC86M-007
57 (J)
3B
9,1,2
TORNILLO PASADOR UNION TUBO SALIDA HIERBA TC86M, TC92H (19)
Ref: TC86M-008
Número: 19 (K)
Quadrantes: 1C, 2C
TC86M-008
19 (K)
1C, 2C
10,2,0;10,2,1
INTERRUPTOR SENSOR PEDAL FRENO TC86M, TC92H (4), TC98LH (4)
Ref: TC86M-009
Número: 4 (M)
Quadrantes: 2B
TC86M-009
4 (M)
2B
12,1,1
TC86M-010
11 (M)
2A, 2B
12,0,1;12,1,1
BOTON ACTIVACION CUCHILLAS TC86M, TC92H, TC98LH (12) TC108LH (14)
Ref: TC86M-011
Número: 14 (M)
Quadrantes: 1B, 2B
TC86M-011
14 (M)
1B, 2B
12,1,0;12,1,1
BOTON CUCHILLAS MARCHA ATRAS TC86M, TC92H, TC98LH (13)
Ref: TC86M-012
Número: 13 (M)
Quadrantes: 1B, 2B
TC86M-012
13 (M)
1B, 2B
12,1,0;12,1,1
SOPORTE ENGANCHE EMBRAGUE ELECTRICO TC86M, TC92H, TC98LH (17) TC108LH (18)
Ref: TC86M-013
Número: 18 (A)
Quadrantes: 2B, 3B
TC86M-013
18 (A)
2B, 3B
0,1,1;0,1,2
AVISADOR ACUSTICO LLENADO CESTO TRACTOR TC86M, TC92H (17)
Ref: TC86M-014
Número: 17 (M)
Quadrantes: 1B, 2B, 2C
TC86M-014
17 (M)
1B, 2B, 2C
12,1,0;12,1,1;12,2,1
INTERRUPTOR DO SENSOR DO BANCO TC86M, TC92H (18) TC98LH (16) TC108LH(27)
Ref: TC86M-015
Número: 18 ()
Quadrantes: 1C
TC86M-015
18 ()
1C
12,2,0
TC86M-016
19 (M)
1C
12,2,0
PLETINA ACCION INTERRUPTOR SENSOR CESTO TC86, TC92H (20)
Ref: TC86M-017
Número: 20 (M)
Quadrantes: 1C
TC86M-017
20 (M)
1C
12,2,0
TC86M-018
31 (M)
2C
12,2,1
TC86M-019
20 (A)
2B
0,1,1
TC86M-020
29 (A)
1C, 2C
0,2,0;0,2,1
TC86M-021
28 (G)
2C
6,2,1
MUELLE DEVOLUCION PALANCA DE ALTURAS TC86M, TC92H (28) TC98LH (26) TC108LH (25)
Ref: TC86M-023
Número: 28 (I)
Quadrantes: 2A
TC86M-023
28 (I)
2A
8,0,1
TC86M-024
7 (K)
2B, 3B
10,1,1;10,1,2
TC86M-025
11 (K)
2B
10,1,1
PALOMILLA SUJECCION TUBO SALIDA HIERBA TC86M, TC92H (15)
Ref: TC86M-026
Número: 15 (K)
Quadrantes: 2B, 2C
TC86M-026
15 (K)
2B, 2C
10,1,1;10,2,1
TC86M-027
1 (M)
2B, 3B
12,1,2;12,1,1
CABLE MOTOR DE ARRANQUE TC86M ,TC92H, TC98LH (10) TC108LH (12)
Ref: TC86M-028
Número: 10 (M)
Quadrantes: 2A, 2B
TC86M-028
10 (M)
2A, 2B
12,0,1;12,1,1
LLAVE DE CONTACTO ARRANQUE TC98LH, TC92H, TC86M (14), TC108LH (16)
Ref: TC86M-029
Número: 14 (M)
Quadrantes: 1B, 2B
TC86M-029
14 (M)
1B, 2B
12,1,0;12,1,1
CABLE BATERIA ROJO TC86M, TC92H, TC98LH (15) TC108LH (6)
Ref: TC86M-030
Número: 15 (M)
Quadrantes: 2B
TC86M-030
15 (M)
2B
12,1,1
CHAPA FIJACION BATERIA TC86M, TC92H (34) TC98LH (19) TC108LH (20)
Ref: TC86M-031
Número: 34 (M)
Quadrantes: 2C
TC86M-031
34 (M)
2C
12,2,1
TC86M-032
35 (M)
2B, 2C
12,1,1;12,2,1
TAPA EMBELLECEDOR VOLANTE TC86M (31) TC92H, TC98LH (32) TC108LH(33)
Ref: TC86M-033
Número: 31 (F)
Quadrantes: 1A
TC86M-033
31 (F)
1A
5,0,0
TORNILLO SUJECCION TRACCION 8x65 TC86M (11) TC92H, TC98LH (21) TC108LH(20)
Ref: TC86M-034
Número: 11 (G)
Quadrantes: 2B, 3B
TC86M-034
11 (G)
2B, 3B
6,1,1;6,1,2
ABRAZADERA EJE PEDAL TC86M, TC92 (8) TC98LH (7) TC108 (15)
Ref: TC86M-035
Número: 8 (I)
Quadrantes: 1B, 2B, 2C
TC86M-035
8 (I)
1B, 2B, 2C
8,2,1;8,1,1;8,1,0
TORNILLO VARILLA FRENO DE MANO TC86M (30) TC92H,TC98LH (31)
Ref: TC86M-036
Número: 30 (G)
Quadrantes: 1C
TC86M-036
30 (G)
1C
6,2,0
PLETINA BLOQUEO FRENO DE MANO TC86M (31) TC92H, TC98LH (32)
Ref: TC86M-037
Número: 31 (G)
Quadrantes: 1C, 2C
TC86M-037
31 (G)
1C, 2C
6,2,0;6,2,1
VARILLA ACCION FRENO DE MANO TC86M (35) TC92H, TC98LH (37)
Ref: TC86M-038
Número: 35 (G)
Quadrantes: 1C, 2C
TC86M-038
35 (G)
1C, 2C
6,2,0;6,2,1
GOMA PEDAL FRENO TC98LH, TC92H (43) TC86M (39) TC108LH(45)
Ref: TC86M-039
Número: 39 (G)
Quadrantes: 1C
TC86M-039
39 (G)
1C
6,2,0
PALANCA PEDALES FRENO Y MARCHAS TC86M,TC92H (3-4) TC98LH(3)
Ref: TC86M-041
Número: 3-4 (I)
Quadrantes: 1C, 2B, 2C
TC86M-041
3-4 (I)
1C, 2B, 2C
8,2,0;8,2,1;8,1,1
UNION PALANCA PEDAL FRENO TC86M, TC92H (13) TC98LH, TC108LH (12)
Ref: TC86M-042
Número: 13 (I)
Quadrantes: 1B, 1C, 2B, 2C
TC86M-042
13 (I)
1B, 1C, 2B, 2C
8,1,1;8,1,0;8,2,0;8,2,1
E-CLIP 12 EJE PALANCA DE ALTURAS TC86M, TC92H (19) TC98LH (16) TC108LH (27)
Ref: TC86M-043
Número: 19 (I)
Quadrantes: 3B
TC86M-043
19 (I)
3B
8,1,2
CASQUILLO TENSOR CORREA TC86M (25) TC92H, TC98LH, TC108LH (2)
Ref: TC86M-044
Número: 25 (B)
Quadrantes: 1C, 2C
TC86M-044
25 (B)
1C, 2C
1,2,0;1,2,1
TC86M-045
3 (K)
1A, 2A
10,0,0;10,0,1
TC86M-046
16 (K)
2B, 2C
10,1,1;10,2,1
TC86M-047
18 (K)
1C, 2C
10,2,0;10,2,1
TC86M-048
26 (M)
1C
12,2,0
DEFLECTOR ENTRADA AIRE MOTOR TC98LH, TC92H, TC86M, TC108LH (2)
Ref: TC86M-049
Número: 2 (L)
Quadrantes: 2C, 3C
TC86M-049
2 (L)
2C, 3C
11,2,1;11,2,2
TAPA SOPORTE VOLANTE TC86M, TC92H, TC98LH (19) TC108LH (21)
Ref: TC86M-050
Número: 19 (L)
Quadrantes: 1B
TC86M-050
19 (L)
1B
11,1,0
TC86M-051
30 (L)
2A
11,0,1
TC86M-052
31 (L)
2A, 3A
11,0,1;11,0,2
PALANCA FRENO DE MANO TC86M (37) TC92, TC98LH (39) TC108LH (42)
Ref: TC86M-053
Número: 37 (G)
Quadrantes: 1C
TC86M-053
37 (G)
1C
6,2,0
TC86M-054
8 (B)
2B
1,1,1
BARRA LATERAL IZQUIERDA CHASIS TC86M, TC92H, TC98LH (8) TC108LH (18)
Ref: TC86M-055
Número: 8 (D)
Quadrantes: 1C
TC86M-055
8 (D)
1C
3,2,0
PLATAFORMA PIE IZQUIERDA TC86M, TC92H, TC98LH (14) TC108LH (24)
Ref: TC86M-056
Número: 14 (D)
Quadrantes: 1B, 2A, 2B
TC86M-056
14 (D)
1B, 2A, 2B
3,1,0;3,1,1;3,0,1
PLATAFORMA PIE DERECHA TC86M, TC92H, TC98LH (25) TC108LH (4)
Ref: TC86M-057
Número: 25 (D)
Quadrantes: 2B, 2C
TC86M-057
25 (D)
2B, 2C
3,1,1;3,2,1
EJE PUENTE DELANTERO TC86M, TC92H, TC98LH (13) TC108LH (10)
Ref: TC86M-058
Número: 13 (E)
Quadrantes: 1B, 2B
TC86M-058
13 (E)
1B, 2B
4,1,0;4,1,1
TC86M-059
40 (G)
1C
6,2,0
PLACA DE PRESIÓN SENSOR DE ASIENTO TC86M, TC92H, TC98LH (5)
Ref: TC86M-060
Número: 5 (H)
Quadrantes: 2A, 2B, 3A, 3B
TC86M-060
5 (H)
2A, 2B, 3A, 3B
7,0,1;7,1,1;7,0,2;7,1,2
EJE BRAZO ELEVACION PLATAFORMA TC86M, TC92H (21) TC98LH (18) TC108LH (29)
Ref: TC86M-061
Número: 21 (I)
Quadrantes: 2A, 3A, 3B
TC86M-061
21 (I)
2A, 3A, 3B
8,0,1;8,0,2;8,1,2
PALANCA DE ALTURAS TC86M TC92H (27) TC98LH (25) TC108LH (26)
Ref: TC86M-062
Número: 27 (I)
Quadrantes: 2A, 3A
TC86M-062
27 (I)
2A, 3A
8,0,1;8,0,2
TORNILLO DE AJUSTE MUELLE TC86M, TC92H (30) TC98LH (28)
Ref: TC86M-063
Número: 30 (I)
Quadrantes: 3A
TC86M-063
30 (I)
3A
8,0,2
TC86M-064
9 (J)
2C
9,2,1
EMBRAGUE ELECTRICO TRACTOR TC86M, TC92H, TC98LH (11) TC108LH (12)
Ref: TC86M-065
Número: 11 (A)
Quadrantes: 2B, 3A, 3B
TC86M-065
11 (A)
2B, 3A, 3B
0,1,1;0,0,2;0,1,2
TC86M-066
13 (B)
2A, 2B, 2C, 3A, 3B
1,0,1;1,1,1;1,2,1;1,0,2;1,1,2
TC86M-067
32 (J)
1B, 1C, 2C
9,1,0;9,2,0;9,2,1
ACCIONAMIENTO FRENO DE MANO TC86M, TC92H, TC98LH, TC108LH (37)
Ref: TC86M-068
Número: 37 (G)
Quadrantes: 1C
TC86M-068
37 (G)
1C
6,2,0
TC86M-069
1 (J)
2C, 3B, 3C
9,1,2;9,2,2;9,2,1
TAPA IZQUIERDA PROTECTOR CORREA TC86M, TC92H (45)
Ref: TC86M-070
Número: 45 (J)
Quadrantes: 1A, 1B, 2A
TC86M-070
45 (J)
1A, 1B, 2A
9,0,1;9,0,0;9,1,0
TAPA LATERAL DERECHA CAPO TC98LH, TC92H, TC86M, TC108LH (4)
Ref: TC86M-071
Número: 4 (L)
Quadrantes: 2C
TC86M-071
4 (L)
2C
11,2,1
TC86M-072
5 (L)
2C
11,2,1
TAPA LATERAL IZQUIERDA CAPO TC98LH, TC92H, TC86M, TC108LH (15)
Ref: TC86M-073
Número: 14 (L)
Quadrantes: 2B, 2C
TC86M-073
14 (L)
2B, 2C
11,1,1;11,2,1
CAPO MOTOR TRACTOR TC98LH, TC92H, TC86M, TC108LH (17)
Ref: TC86M-074
Número: 17 (L)
Quadrantes: 1B, 1C, 2C
TC86M-074
17 (L)
1B, 1C, 2C
11,1,0;11,2,0;11,2,1
TAPA CAPO MOTOR TOMA DE AIRE TC98LH,TC92H,TC86M,TC108LH (18)
Ref: TC86M-075
Número: 18 (L)
Quadrantes: 1C
TC86M-075
18 (L)
1C
11,2,0
TAPA PANEL DE CONTROL TC86M, TC92H, TC98LH, TC108LH (22)
Ref: TC86M-076
Número: 22 (L)
Quadrantes: 2B
TC86M-076
22 (L)
2B
11,1,1
CUBIERTA COLUMNA DIRECCION TC86M, TC92H, TC98LH, TC108LH (24)
Ref: TC86M-077
Número: 24 (L)
Quadrantes: 2B
TC86M-077
24 (L)
2B
11,1,1
TAPA CUBIERTA POLEAS TC86M, TC92H, TC98LH, TC108LH (26)
Ref: TC86M-078
Número: 26 (L)
Quadrantes: 2A, 2B
TC86M-078
26 (L)
2A, 2B
11,0,1;11,1,1
TC86M-079
28 (L)
2A
11,0,1
TUBO DE GASOLINA TC86M, TC92H, TC98LH (15) TC108LH (14)
Ref: TC86M-080
Número: 15 (C)
Quadrantes: 2A, 2B, 3A
TC86M-080
15 (C)
2A, 2B, 3A
2,0,2;2,0,1;2,1,1
SOPORTE AMORTIGUADOR ASIENTO TC86M, TC92H, TC98LH, TC108LH (2)
Ref: TC86M-081
Número: 2 (C)
Quadrantes: 3A, 3B
TC86M-081
2 (C)
3A, 3B
7,0,2;7,1,2
TORNILLO DE AJUSTE PALANCA DE ALTURA CORTE TC86M, TC92H (30) TC98LH (28)
Ref: TC86M-082
Número: 30 (I)
Quadrantes: 3A
TC86M-082
30 (I)
3A
8,0,2
CASQUILLO EJE VOLANTE TC86M, TC92H, TC98LH (25) TC108LH (9)
Ref: TC86M-083
Número: 25 (F)
Quadrantes: 2A
TC86M-083
25 (F)
2A
5,0,1
TORNILLO AJUSTE PALANCA PEDAL SENTIDO MARCHAS TC86M TC92H (11) TC108LH (4)
Ref: TC86M-084
Número: 11 (I)
Quadrantes: 2C
TC86M-084
11 (I)
2C
8,2,1
PASADOR BISAGRA CAPO MOTOR TC86M, TC92H, TC98LH, TC108LH (8)
Ref: TC86M-085
Número: 8 (L)
Quadrantes: 2C
TC86M-085
8 (L)
2C
11,2,1
PASADOR SUJECCION PALANCA FRENO DE MANO TC86M (38) TC92L (41)
Ref: TC86M-086
Número: 38 (G)
Quadrantes: 1C
TC86M-086
38 (G)
1C
6,2,0
TORNILLO AJUSTE PALANCA PEDAL SENTIDO MARCHAS TC86M TC92H (11) TC108LH (4)
Ref: TC86M-087
Número: 11 (I)
Quadrantes: 2C
TC86M-087
11 (I)
2C
8,2,1
TC86M-088
27 (F)
1A, 2A
5,0,0;5,0,1
SOPORTE SUJECCION INTERRUPTOR CESTO TC86M, TC92H (24)
Ref: TC86M-089
Número: 24 (M)
Quadrantes: 1C, 2C
TC86M-089
24 (M)
1C, 2C
12,2,0;12,2,1
CHAPA PROTECTOR ESCAPE TC86M (34) TC92H, TC98LH (35) TC108LH (29)
Ref: TC86M-090
Número: 34 (A)
Quadrantes: 1B, 1C
TC86M-090
34 (A)
1B, 1C
0,1,0;0,2,0
TC86M-091
9 (J)
2C
9,2,1
PASADOR SUJECCION PALANCA FRENO DE MANO TC86M (38) TC92H (41)
Ref: TC86M-092
Número: 38 (G)
Quadrantes: 1C
TC86M-092
38 (G)
1C
6,2,0
TC86M-093
6 (K)
2A, 2B, 3A, 3B
10,0,1;10,0,2;10,1,2;10,1,1
TC86M-094
9 (L)
2C
11,2,1
TC86M-095
16 (L)
2C
11,2,1
CONJUNTO DE FOCOS LED TC86M, TC92H, TC98LH (11,12,13) TC108LH (10,11,12)
Ref: TC86M-096
Número: 11, 12, 13 (L)
Quadrantes: 2C
TC86M-096
11, 12, 13 (L)
2C
11,2,1
CARCASA CUBIERTA TRASERA ASIENTO TC86M, TC92H (29)
Ref: TC86M-097
Número: 29 (L)
Quadrantes: 2A, 2B, 3A, 3B
TC86M-097
29 (L)
2A, 2B, 3A, 3B
11,0,1;11,1,1;11,0,2;11,1,2
LÂMPADA DE BASE ESQUERDA TC86M,TC92H, TC98LH, TC108LH (15)
Ref: TC86M-098
Número: 15 (L)
Quadrantes: 2C
TC86M-098
15 (L)
2C
11,2,1
TC86M-099
10 (L)
2C
11,2,1
TC86M-100
44 (G)
1C, 2B, 2C
6,1,1;6,2,1;6,2,0
ALAVANCA DE ESVAZIAMENTO DO CESTO DO LIXO TC86M ,TC92H (13)
Ref: TC86M-101
Número: 13 (K)
Quadrantes: 1B
TC86M-101
13 (K)
1B
10,1,0
TC86M-102
4 (K)
2A, 2B
10,0,1;10,1,1
TC86M-103
8 (K)
2B, 3B
10,1,1;10,1,2
RUEDA TRASERA COMPLETA 18X8.50-8 TC98LH, TC92H (4), TC86M, TC108LH (4)TC102H(4F)
Ref: TC86M-104
Número: 4 (G)
Quadrantes: 2A, 3A, 3B, 3C
TC86M-104
4 (G)
2A, 3A, 3B, 3C
6,0,1;6,0,2;6,1,2;6,2,2
RUEDA DELANTERA COMPLETA 15X6,00-6 TC98LH, TC92H, TC86M, TC108LH (6)
Ref: TC86M-105
Número: 6 (E)
Quadrantes: 1A, 2A, 2C, 3C
TC86M-105
6 (E)
1A, 2A, 2C, 3C
4,0,0;4,0,1;4,2,1;4,2,2
TC86M-106
6 (G)
2A, 2B, 3B
6,0,1;6,1,1;6,1,2
TC86M-107
46 (J)
2A, 2B, 2C
9,0,1;9,1,1;9,2,1
POMO PALANCA ACELERADOR TC86M, TC92H, TC98LH, TC108LH (1)
Ref: TC86M-109
Número: 1 (A)
Quadrantes: 1A
TC86M-109
1 (A)
1A
0,0,0
TC86M-110
8 (A)
2A, 2B
0,0,1;0,1,1
CASQUILLO TORNILLO SUJECCION EMBRAGUE TC86M, TC92M, TC98LH (12) TC108LH (13)
Ref: TC86M-111
Número: 12 (A)
Quadrantes: 3A, 3B
TC86M-111
12 (A)
3A, 3B
0,0,2;0,1,2
TORNILLO SUJECCION EMBRAGUE MOTOR TC86M, TC92H, TC98LH (14), TC108LH(15)
Ref: TC86M-112
Número: 14 (A)
Quadrantes: 3A, 3B
TC86M-112
14 (A)
3A, 3B
0,0,2;0,1,2
SOPORTE EMBRAGUE ELECTRICO TC86M, TC92H, TC98LH (15), TC108LH (16)
Ref: TC86M-113
Número: 15 (A)
Quadrantes: 3B
TC86M-113
15 (A)
3B
0,1,2
GUIA CORREA SALIDA MOTOR TC86M, TC92M, TC98LH (17), TC108LH (18)
Ref: TC86M-114
Número: 17 (A)
Quadrantes: 2B, 3B
TC86M-114
17 (A)
2B, 3B
0,1,1;0,1,2
TC86M-116
2 (B)
1B, 1C
1,1,0;1,2,0
TC86M-117
10 (B)
2B
1,1,1
TORNILLO POLEA GUIA CORREA TRACCION TC86M (14), TC92H, TC98LH (17), TC108LH (22)
Ref: TC86M-118
Número: 14 (B)
Quadrantes: 2A, 2B
TC86M-118
14 (B)
2A, 2B
1,0,1;1,1,1
CASQUILLO TORNILLO POLEA GUIA CORREA TRACCION TC86M (15), TC92H, TC98LH (19), TC108LH (24)
Ref: TC86M-119
Número: 15 (B)
Quadrantes: 2A, 3B
TC86M-119
15 (B)
2A, 3B
1,0,1;1,1,2
E-CLIP 37 POLEA GUIA CORREA TRACCION TC86M (17), TC92H, TC98LH (11), TC108LH (13)
Ref: TC86M-120
Número: 17 (B)
Quadrantes: 2B, 2C, 3B, 3C
TC86M-120
17 (B)
2B, 2C, 3B, 3C
1,1,2;1,1,1;1,2,2;1,2,1
EJE SOPORTE POLEA TC86M, TC92H, TC98LH (13), TC108LH (20)
Ref: TC86M-121
Número: 13 (B)
Quadrantes: 2A, 2B, 2C, 3A, 3B
TC86M-121
13 (B)
2A, 2B, 2C, 3A, 3B
1,0,1;1,0,2;1,1,2;1,1,1;1,2,1
TORNILLO SOPORTE POLEA TENSORA CORREA TRACCION TC86M,TC92M,TC98LH,TC108LH (1)
Ref: TC86M-122
Número: 24 ()
Quadrantes: 1C
TC86M-122
24 ()
1C
1,2,0
CASQUILLO SOPORTE POLEA TENSORA TRACCION TC86M (26), TC92H,TC98LH,TC108LH (25)
Ref: TC86M-123
Número: 25 (B)
Quadrantes: 1C
TC86M-123
25 (B)
1C
1,2,0
CASQUILLO POLEA TENSORA TRACCION TC86M (26), TC92H, TC98LH, TC108LH (3)
Ref: TC86M-124
Número: 26 (B)
Quadrantes: 1C
TC86M-124
26 (B)
1C
1,2,0
TC86M-125
28 (B)
2C
1,2,1
TC86M-126
32 (B)
2A, 3A
1,0,1;1,0,2
TC86M-127
33 (B)
3A
1,0,2
CHAPA DERECHA SUJECCION PARACHOQUES TC86M,TC92H,TC98LH(2)TC108LH(14)
Ref: TC86M-128
Número: 2 (D)
Quadrantes: 2C
TC86M-128
2 (D)
2C
3,2,1
TC86M-129
3 (D)
1C, 2C
3,2,0;3,2,1
SOPORTE MOTOR DERECHA TC86M, TC92H, TC98LH (5), TC108 (13)
Ref: TC86M-130
Número: 5 (D)
Quadrantes: 1C, 2C
TC86M-130
5 (D)
1C, 2C
3,2,1;3,2,0
SOPORTE MOTOR IZQIERDA TC86M, TC92H, TC98LH (7), TC108 (17)
Ref: TC86M-131
Número: 7 (D)
Quadrantes: 1C
TC86M-131
7 (D)
1C
3,2,0
GOMA PIE IZQUIERDO TC86M, TC92M, TC98LH (13), TC108 (25)
Ref: TC86M-132
Número: 13 (D)
Quadrantes: 1B, 2B
TC86M-132
13 (D)
1B, 2B
3,1,0;3,1,1
TORNILLO SUJECCION SOPORTE EMBRAGUE TC86M, TC92H, TC98LH, TC108LH (18)
Ref: TC86M-133
Número: 18 (A)
Quadrantes: 2B
TC86M-133
18 (A)
2B
0,1,1
SOPORTE PEDAL DELANTERO DERECHO TC86M, TC92H, TC98LH (27), TC108LH (8)
Ref: TC86M-134
Número: 27 (D)
Quadrantes: 2C
TC86M-134
27 (D)
2C
3,2,1
TC86M-135
33 (D)
3A, 3B
3,0,2;3,1,2
TC86M-136
36 (D)
2A
3,0,1
TC86M-137
42 (D)
2A
3,0,1
EJE RUEDA IZQUIERDO TC86M, TC92M, TC98LH, TC108LH (7)
Ref: TC86M-138
Número: 7 (E)
Quadrantes: 2A, 2B
TC86M-138
7 (E)
2A, 2B
4,0,1;4,1,1
TC86M-139
8 (E)
2B
4,1,1
CASQUILLO TORNILLO PUENTE DELANTERO TC86M, TC92H (14)
Ref: TC86M-140
Número: 14 (E)
Quadrantes: 1B, 2B
TC86M-140
14 (E)
1B, 2B
4,1,0;4,1,1
TUERCA SUJECCION EJE PUENTE DELANTERO TC86M, TC92H (15)
Ref: TC86M-141
Número: 15 (E)
Quadrantes: 1B, 2B
TC86M-141
15 (E)
1B, 2B
4,1,0;4,1,1
TORNILLO SUJECCION EJE PUENTE DELANTERO TC86M, TC92H (16)
Ref: TC86M-142
Número: 16 (E)
Quadrantes: 2B
TC86M-142
16 (E)
2B
4,1,1
EJE RUEDA DERECHA TC86M, TC92M, TC98LH, TC108LH (21)
Ref: TC86M-143
Número: 21 (E)
Quadrantes: 2B, 2C
TC86M-143
21 (E)
2B, 2C
4,1,1;4,2,1
TORNILLO SUJECCION BARRA DIRECCION TC86M, TC92H, TC98LH (1), TC108 (15)
Ref: TC86M-144
Número: 1 (F)
Quadrantes: 3C
TC86M-144
1 (F)
3C
5,2,2
CASQUILLO TORNILLO SUJECCION BARRA DIRECCION TC86M, TC92M, TC98LH (3), TC108LH (13)
Ref: TC86M-145
Número: 3 (F)
Quadrantes: 3C
TC86M-145
3 (F)
3C
5,2,2
TC86M-146
6 (F)
2B
5,1,1
SECTOR DENTADO DIRECCION TC86M, TC92H, TC98LH (12), TC108LH (24)
Ref: TC86M-147
Número: 12 (F)
Quadrantes: 3A, 3B
TC86M-147
12 (F)
3A, 3B
5,0,2;5,1,2
ARANDELA PARA PIÑON EJE DE DIRECCION TC86M, TC92M, TC98LH (3), TC108LH (13)
Ref: TC86M-148
Número: 3 (E)
Quadrantes: 1A, 3C
TC86M-148
3 (E)
1A, 3C
4,0,0;4,2,2
PASADOR PIÑON EJE DE DIRECCION TC86M, TC92H, TC98LH (19), TC108LH (17)
Ref: TC86M-149
Número: 19 (F)
Quadrantes: 3B
TC86M-149
19 (F)
3B
5,1,2
PIÑON EJE DE DIRECCION TC86M, TC92H, TC98LH (20), TC108LH (16)
Ref: TC86M-150
Número: 20 (F)
Quadrantes: 3B
TC86M-150
20 (F)
3B
5,1,2
EJE PRINCIPAL VOLANTE DIRECCION TC86M, TC92H, TC98LH (21), TC108LH (11)
Ref: TC86M-151
Número: 21 (F)
Quadrantes: 2A, 2B, 3B
TC86M-151
21 (F)
2A, 2B, 3B
5,0,1;5,1,1;5,1,2
SOPORTE GUIA EJE VOLANTE TC86M, TC92H, TC98LH (24), TC108LH (5)
Ref: TC86M-152
Número: 24 (F)
Quadrantes: 2A, 2B
TC86M-152
24 (F)
2A, 2B
5,0,1;5,1,1
TC86M-153
13 (G)
2B
6,1,1
TC86M-154
14 (G)
2B
6,1,1
TC86M-155
15 (G)
2B
6,1,1
TC86M-156
22 (G)
2B
6,1,1
TORNILLO SUJECCION SOPORTE VARILLAS MARCHAS M8X80 TC86M (24)
Ref: TC86M-157
Número: 24 (G)
Quadrantes: 2B, 2C
TC86M-157
24 (G)
2B, 2C
6,1,1;6,2,1
TUERCA SUJECCION SOPORTE VARILLAS MARCHAS M8X80 TC86M (26)
Ref: TC86M-158
Número: 26 (G)
Quadrantes: 2C
TC86M-158
26 (G)
2C
6,2,1
TC86M-159
27 (G)
2C
6,2,1
TC86M-160
34 (G)
1C, 2C
6,2,0;6,2,1
MUELLE AMORTIGUADOR ASIENTO TC86M, TC92M, TC98LH (3)
Ref: TC86M-161
Número: 3 (H)
Quadrantes: 3A, 3B
TC86M-161
3 (H)
3A, 3B
7,0,2;7,1,2
TORNILLO APRIETE PLACA DE PRESIÓN SENSOR DE ASIENTO TC86M, TC92H, TC98LH (6)
Ref: TC86M-162
Número: 6 (H)
Quadrantes: 2A, 2B, 3B
TC86M-162
6 (H)
2A, 2B, 3B
7,0,1;7,1,1;7,1,2
TC86M-163
8 (I)
1B, 2B, 2C
8,1,1;8,2,1;8,1,0
DADO UNION EJE PEDAL FRENO TC86M, TC92H (10), TC98LH (9), TC108LH (6)
Ref: TC86M-164
Número: 10 (I)
Quadrantes: 2C
TC86M-164
10 (I)
2C
8,2,1
SOPORTE REGULACION PALANCA DE ALTURAS TC86M, TC92H (24), TC98LH (22), TC108LH (21)
Ref: TC86M-165
Número: 24 (I)
Quadrantes: 2A, 2B
TC86M-165
24 (I)
2A, 2B
8,0,1;8,1,1
MUELLE PALANCA DE ALTURAS TC86M, TC92H (29), TC98LH (27), TC108LH (22)
Ref: TC86M-166
Número: 29 (I)
Quadrantes: 2A, 3A
TC86M-166
29 (I)
2A, 3A
8,0,1;8,0,2
TORNILLO SUJECCION POLEA TENSORA DE CORTE TC86M, TC92H (6)
Ref: TC86M-167
Número: 6 (J)
Quadrantes: 2C
TC86M-167
6 (J)
2C
9,2,1
TC86M-168
8 (J)
2C
9,2,1
SOPORTE TENSOR POLEA CORREA TRACCION TC86M, TC92H, TC98LH, TC108LH (5)
Ref: TC86M-169
Número: 5 (B)
Quadrantes: 1C, 2C
TC86M-169
5 (B)
1C, 2C
1,2,0;1,2,1
VARILLA DIRECCION VOLANTE TC86M, TC92H, TC98LH (8), TC108LH (3)
Ref: TC86M-170
Número: 8 (F)
Quadrantes: 2B
TC86M-170
8 (F)
2B
5,1,1
BRIDA UNION EJE VOLANTE TC86M, TC92H, TC98LH (26), TC108LH (8)
Ref: TC86M-171
Número: 26 (F)
Quadrantes: 2A
TC86M-171
26 (F)
2A
5,0,1
TC86M-172
25 (G)
2C
6,2,1
SOPORTE DELANTERO PLATO DE CORTE TC86M, TC92H, TC98LH, TC108LH (3)
Ref: TC86M-173
Número: 3 (I)
Quadrantes: 1A, 1B, 1C, 2B, 2C
TC86M-173
3 (I)
1A, 1B, 1C, 2B, 2C
8,0,0;8,1,0;8,2,0;8,2,1;8,1,1
EJE SOPORTE DELANTERO PLATO DE CORTE TC86M, TC92H (5), TC98LH (4), TC108LH (13)
Ref: TC86M-174
Número: 5 (I)
Quadrantes: 2B, 2C
TC86M-174
5 (I)
2B, 2C
8,1,1;8,2,1
VARILLA ENGANCHE EJES SOPORTES PLATO DE CORTE TC86M, TC92H (12)
Ref: TC86M-175
Número: 12 (I)
Quadrantes: 2B, 2C
TC86M-175
12 (I)
2B, 2C
8,1,1;8,2,1
UNION EJE SOPORTE DELANTERO PLATO DE CORTE TC86M, TC92H (13), TC98LH, TC108LH (12)
Ref: TC86M-176
Número: 13 (I)
Quadrantes: 1B, 1C, 2B, 2C
TC86M-176
13 (I)
1B, 1C, 2B, 2C
8,1,1;8,2,0;8,1,0;8,2,1
VARILLA TIRANTE PALANCA ALTURA PLATO DE CORTE TC86M, TC92M (15)
Ref: TC86M-177
Número: 15 (I)
Quadrantes: 2A, 2B
TC86M-177
15 (I)
2A, 2B
8,0,1;8,1,1
TC86M-178
16 (I)
2B, 2C
8,1,1;8,2,1
TC86M-179
11 (J)
2C
9,2,1
TORNILLO RUEDA PLATAFORMA DE CORTE TC86M, TC92H (17), TC98LH (8)
Ref: TC86M-180
Número: 15 (J)
Quadrantes: 2C
TC86M-180
15 (J)
2C
9,2,1
SOPORTE TENSOR POLEA CORREA DE CORTE TC86M, TC92H (20)
Ref: TC86M-181
Número: 20 (J)
Quadrantes: 2B, 2C
TC86M-181
20 (J)
2B, 2C
9,1,1;9,2,1
TC86M-182
21 (J)
2C
9,2,1
TC86M-183
37 (J)
1B
9,1,0
TC86M-184
41 (J)
2B
9,1,1
TC86M-185
44 (J)
1B, 2B
9,1,0;9,1,1
TC86M-186
17 (J)
2C
9,2,1
GOMA SUJECCION BATERIA TC86M, TC92H(32)TC98LH(17)TC108LH(18)
Ref: TC86M-187
Número: 32 (M)
Quadrantes: 2C
TC86M-187
32 (M)
2C
12,2,1
Nenhum item corresponde aos filtros de pesquisa