[RC500] ROBÔ CORTA RELVA ANOVA 2.5Ah - 500M
Instruções
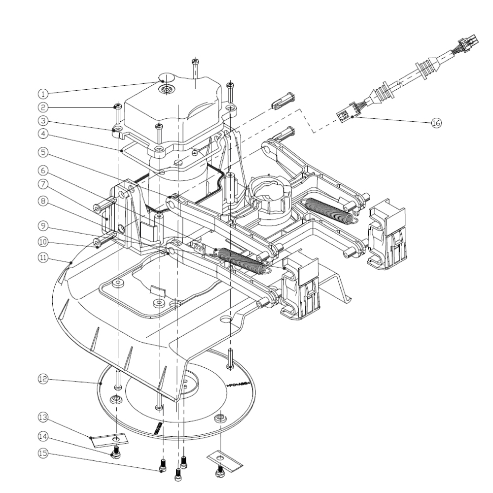
Selecione um quadrante na vista explodida para exibir as peças naquela área. Você pode ampliar para a vista explodida.
ESTAÇÃO DE CARGA BASE RC500 RC800 RC500 RC800
Ref: RC500-01
Número: - (D)
Quadrantes: 1A, 1B, 2A, 2B, 3A, 3B, 3C
RC500-01
- (D)
1A, 1B, 2A, 2B, 3A, 3B, 3C
3,0,0;3,1,0;3,0,1;3,0,2;3,1,2;3,2,2;3,1,1
RC500-02
7 (D)
1B, 2B, 2C
3,1,0;3,1,1;3,2,1
RC500-06
13 (C)
3A, 3B
2,0,2;2,1,2
RC500-07
14 (C)
3A, 3B
2,0,2;2,1,2
RC500-08
29 (A)
3B
0,1,2
RC500-10
9 (D)
1A, 1B
3,0,0;3,1,0
SOPORTE ENCHUFE DE CARGA CON TAPA RC500 - RC800 (2-8)
Ref: RC500-11
Número: 2, 8 (D)
Quadrantes: 1A, 1B, 2A, 2B
RC500-11
2, 8 (D)
1A, 1B, 2A, 2B
3,0,1;3,1,1;3,0,0;3,1,0
RC500-12
5 (D)
2A
3,0,1
RC500-13
4 (D)
2A, 2B
3,0,1;3,1,1
RC500-14
3 (D)
2B, 2C
3,1,1;3,2,1
CABLE CONEXION PLACA VISUALIZACION RC500 - RC800 (18)
Ref: RC500-15
Número: 18 (B)
Quadrantes: 3B, 3C
RC500-15
18 (B)
3B, 3C
1,1,2;1,2,2
RC500-16
17 (B)
3B, 3C
1,1,2;1,2,2
CABLE DE CONEXION SENSOR DE CHOQUE RC500 - RC800 (16)
Ref: RC500-17
Número: 16 (B)
Quadrantes: 3B, 3C
RC500-17
16 (B)
3B, 3C
1,1,2;1,2,2
RC500-18
15 (B)
3B, 3C
1,1,2;1,2,2
RC500-19
14 (B)
2A
1,0,1
RC500-20
13 (B)
2A
1,0,1
RC500-21
11 (B)
1A, 1B, 2A, 2B, 2C
1,0,0;1,1,0;1,0,1;1,1,1;1,2,1
RC500-22
9 (B)
2B, 2C
1,1,1;1,2,1
RC500-23
8 (B)
2B, 2C
1,1,1;1,2,1
RC500-24
7 (B)
1C, 2B
1,1,1;1,2,0
RC500-25
6 (B)
1B, 1C, 2B
1,1,0;1,1,1;1,2,0
RC500-26
4 (B)
1B, 1C, 2B, 2C
1,2,0;1,1,0;1,1,1;1,2,1
RC500-27
2 (B)
1B, 1C
1,1,0;1,2,0
RC500-28
12 (C)
3A, 3B
2,0,2;2,1,2
RC500-29
23 (A)
3B
0,1,2
RC500-30
4 (C)
1A, 1B, 2A, 2B
2,0,0;2,1,0;2,0,1;2,1,1
RC500-31
16 (C)
1C
2,2,0
RC500-35
32 (A)
3C
0,2,2
RC500-32
6 (C)
2B
2,1,1
RC500-33
4 (C)
1A, 1B
2,0,0;2,1,0
RC500-34
34 (A)
2C
0,2,1
RC500-36
31 (A)
3C
0,2,2
RC500-38
18 (A)
3A
0,0,2
RC500-39
17 (A)
3A
0,0,2
RC500-40
12 (A)
2B
0,1,1
RC500-41
11 (A)
2B
0,1,1
RC500-42
9 (A)
2A, 2B
0,0,1;0,1,1
RC500-43
8 (A)
2A, 2B
0,0,1;0,1,1
RC500-45
4 (A)
2B
0,1,1
RC500-46
22 (A)
3A
0,0,2
RC500-49
11 (C)
2A, 2B, 3A
2,0,1;2,1,1;2,0,2
RC500-53
21 (A)
3A
0,0,2
RC500-54
10 (C)
1B, 2A
2,0,1;2,1,0
RC500-55
9 (C)
2B, 2C
2,1,1;2,2,1
RC500-56
3 (C)
1A, 1B
2,0,0;2,1,0
RC500-57
28 (A)
3B
0,1,2
RC500-59
16 (A)
2B, 3B
0,1,1;0,1,2
RC500-60
15 (A)
2B, 3B
0,1,2;0,1,1
RC500-61
14 (A)
2B
0,1,1
RC500-62
10 (A)
2A, 2B
0,0,1;0,1,1
RC500-63
7 (A)
2A, 2B
0,0,1;0,1,1
RC500-65
1 (A)
1A, 1B
0,0,0;0,1,0
RC500-66
3 (A)
1B
0,1,0
RC500-67
7 (C)
2A, 2B
2,0,1;2,1,1
RC500-68
- (C)
2B
2,1,1
RC500-80
1 (D)
3A, 3B, 3C
3,1,2;3,2,2;3,0,2
Nenhum item corresponde aos filtros de pesquisa