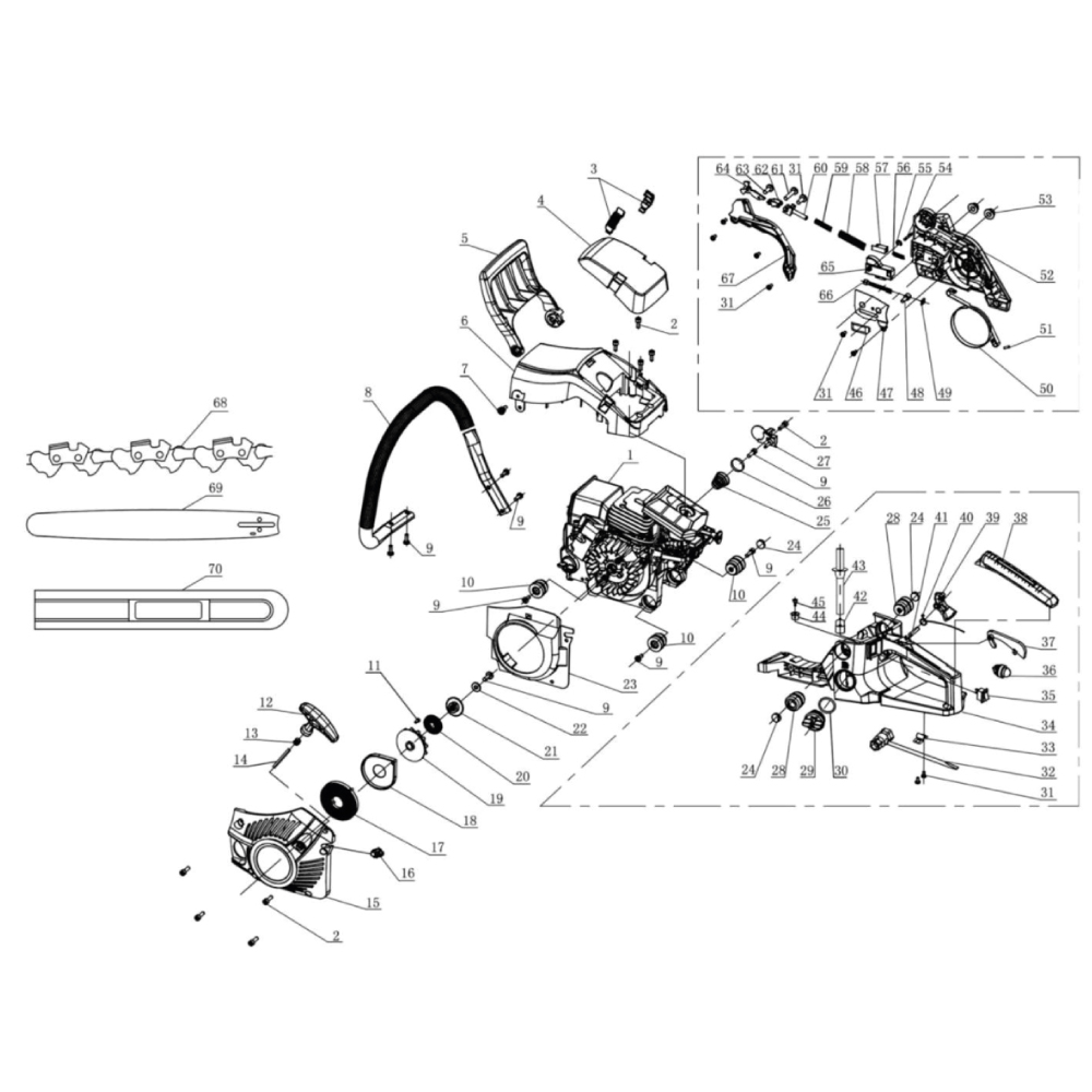
Vista explodida MG262

[MG262] CHAINSAW ANOVA MAIS 61,5 CC

Instruções

Selecione um quadrante na vista explodida para exibir as peças naquela área. Você pode ampliar para a vista explodida.

Ref: MG262 - CHAINSAW ANOVA MAIS 61,5 CC

Ver as peças
A
B
C
1
2
3
CILINDRO MG262 (A5) Ref: MG262-003
Número: 5 (A)
Quadrantes: 1A
ESCAPE MG262 (A10) Ref: MG262-006
Número: 10 (A)
Quadrantes: 1A
PORCA M5 MG262 (A13) Ref: MG262-008
Número: 13 (A)
Quadrantes: 1A
VEDAÇÃO DO CILINDRO MG262 (A14) Ref: MG262-009
Número: 14 (A)
Quadrantes: 1A, 2A
ANEL DO PISTÃO MG262 (A15) Ref: MG262-010
Número: 15 (A)
Quadrantes: 2A
PISTÃO MG262 (A16) Ref: MG262-011
Número: 16 (A)
Quadrantes: 2A
PINO DE PISTÃO MG262 (A18) Ref: MG262-013
Número: 18 (A)
Quadrantes: 2A
VIRABREQUIM MG262 (A21) Ref: MG262-015
Número: 21 (A)
Quadrantes: 2A
BOBINA MG262 (A24) Ref: MG262-017
Número: 24 (A)
Quadrantes: 2A
TAMPA DE ÓLEO MG262 (A25-A27) Ref: MG262-018
Número: 27 (A)
Quadrantes: 2A, 3A
ROLAMENTO 6202 MG262 (A35) Ref: MG262-022
Número: 35 (A)
Quadrantes: 2B, 3B
CARBURADOR MG262 (A49) Ref: MG262-031
Número: 49 (A)
Quadrantes: 2C
FILTROS DE AR MG262 (A54) Ref: MG262-036
Número: 54 (A)
Quadrantes: 2C
FILTRO DE AR MG262 (A56) Ref: MG262-038
Número: 56 (A)
Quadrantes: 2C
CABO DE AR MG262 (A58) Ref: MG262-039
Número: 58 (A)
Quadrantes: 2B, 2C
EMBREAGEM COMPLETA MG262 (A67-70) Ref: MG262-046
Número: 67 - 70 (A)
Quadrantes: 1C
GARRA MG262 (A80) Ref: MG262-053
Número: 80 (A)
Quadrantes: 2B
TUBO DE PULSO MG262 (A85) Ref: MG262-056
Número: 85 (A)
Quadrantes: 2B
PEGA DIANTEIRA MG262 (8) Ref: MG262-063
Número: 8 (B)
Quadrantes: 2A, 2B
MOLA CÔNICA MG262 (25) Ref: MG262-066
Número: 25 (B)
Quadrantes: 2B
CAPTOR CORRENTE MG262 (27) Ref: MG262-068
Número: 27 (B)
Quadrantes: 2C
TAMPÃO DE GASOLINA MG262 (29+30) Ref: MG262-070
Número: 29, 30 (B)
Quadrantes: 2C, 3C
CHAVE DE VELAS MG262 (32) Ref: MG262-071
Número: 32 (B)
Quadrantes: 3C
INTERRUPTOR MG262 (35) Ref: MG262-073
Número: 35 (B)
Quadrantes: 2C
TUBO DE GASOLINA MG262 (43) Ref: MG262-078
Número: 43 (B)
Quadrantes: 2C
GASOLINA RESPIRRO MG262 (45) Ref: MG262-080
Número: 44, 45 (B)
Quadrantes: 2C
INÍCIO COMPLETO MG262 (9+15-22) Ref: MG262-083
Número: 9, 15 - 22 (B)
Quadrantes: 3A
DEPÓSITO GASOLINA MG262 (24-45) Ref: MG262-086
Número: 24 - 45 (B)
Quadrantes: 2C

Download vista explodida

Despiece MG262