[MTC720] POWER TILLER ANOVA - MTC720
Instruções
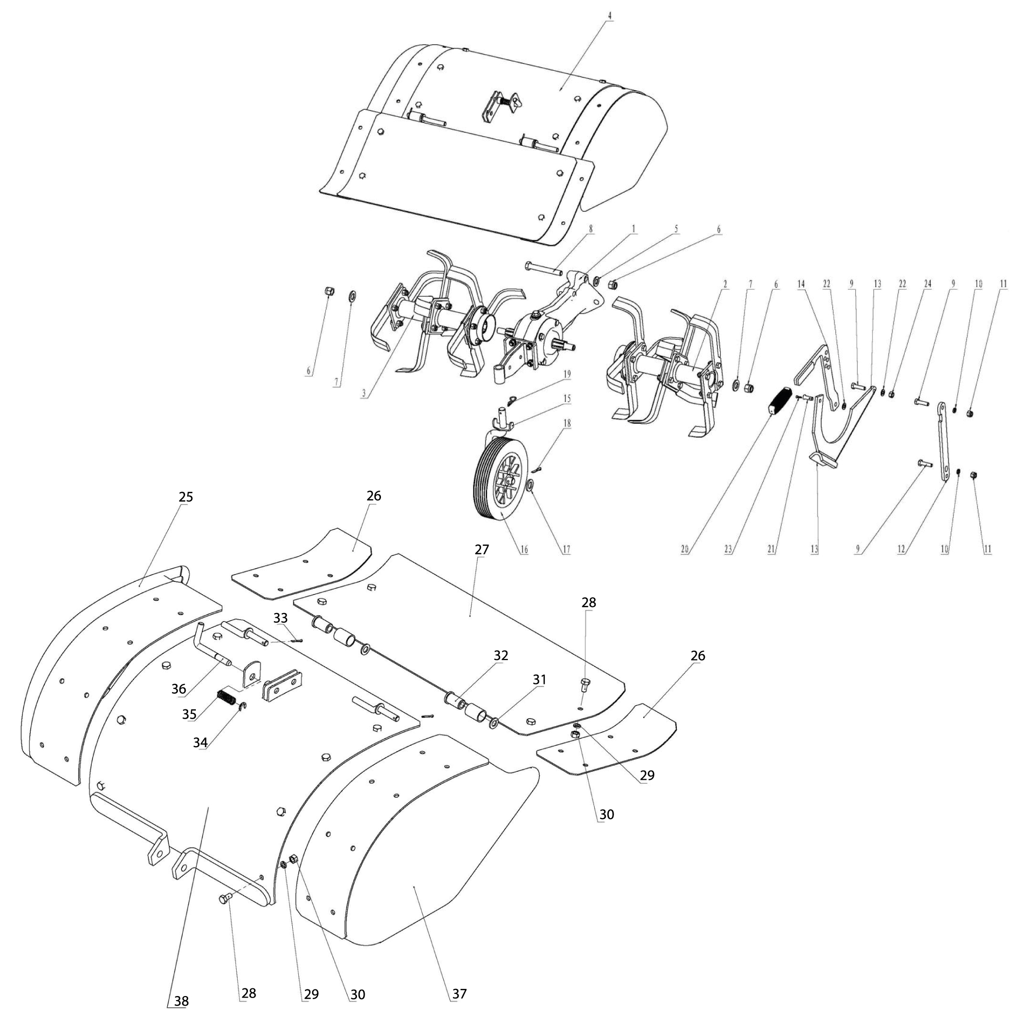
Selecione um quadrante na vista explodida para exibir as peças naquela área. Você pode ampliar para a vista explodida.
A
B
C
1
2
3
A
B
C
1
2
3
A
B
C
1
2
3
A
B
C
1
2
3
A
B
C
1
2
3
A
B
C
1
2
3
MTC720-07
200
1A, 1B, 1C, 2A, 2B, 2C
0,0,0;0,0,1;0,1,0;0,1,1;0,2,0;0,2,1
MTC720-12
8
2A
0,0,1
MTC720-18
22
2A
0,0,1
MTC720-10
46
1A
0,0,0
MTC720-09
68
1A, 1B, 2A, 2B
0,0,0;0,0,1;0,1,0;0,1,1
MTC720-49
82
3B
0,1,2
MTC720-48
87
3A, 3B
0,0,2;0,1,2
CORPO DA ENGRENAGEM SUPERIOR MTC720
Ref: MTC720-06
Número: 200
Quadrantes: 1B, 1C, 2A, 2B, 2C, 3A, 3B
MTC720-06
200
1B, 1C, 2A, 2B, 2C, 3A, 3B
1,0,1;1,0,2;1,1,0;1,1,1;1,1,2;1,2,0;1,2,1
MTC720-17
11
2A, 3A
1,0,1;1,0,2
MTC720-16
21
2A, 2B, 3A
1,0,1;1,0,2;1,1,1
MTC720-54
38
1A, 1B, 2A, 2B
1,0,0;1,0,1;1,1,0;1,1,1
MTC720-76
43
2B, 3B, 3C
1,1,1;1,1,2;1,2,2
MTC720-60
1
1B, 2B
2,1,0;2,1,1
MTC720-59
12
2C
2,2,1
MTC720-57
14
1C, 2C
2,2,0;2,2,1
MTC720-90
36
2A, 3A
2,0,1;2,0,2
MTC720-44
4
2B, 3B
3,1,1;3,1,2
MTC720-43
9
2C, 3C
3,2,1;3,2,2
MTC720-42
10
2C
3,2,1
MTC720-41
11
2B
3,1,1
MTC720-38
17
2C, 3B, 3C
3,1,2;3,2,1;3,2,2
MTC720-37
18
3B, 3C
3,1,2;3,2,2
MTC720-36
19
2C, 3B, 3C
3,2,1;3,2,2;3,1,2
MTC720-35
21
1A, 2A
3,0,0;3,0,1
MTC720-31
31
2A
3,0,1
MTC720-52
1
1A, 1B
4,0,0;4,1,0
MTC720 SUPORTE DE SUPORTE DE CAPOTA DA CAIXA DE VELOCIDADES
Ref: MTC720-51
Número: 9
Quadrantes: 1A, 2A
MTC720-51
9
1A, 2A
4,0,0;4,0,1
MTC720-50
15
1A, 2A
4,0,0;4,0,1
MTC720-45
50
3B
4,1,2
MTC720-46
44
3A
4,0,2
MTC720-01
51
2A, 2B, 3A, 3B
4,0,1;4,0,2;4,1,1;4,1,2
MTC720-82
34
2C
4,2,1
MTC720-14
36
2C
4,2,1
MTC720-13
39
1C
4,2,0
MTC720-05
200
2A, 2B, 3A, 3B, 3C
5,0,1;5,0,2;5,1,1;5,1,2;5,2,2
MTC720-29
27
2A, 2B, 3A, 3B
5,0,1;5,0,2;5,1,1;5,1,2
MTC720-27
28
2B, 3B
5,1,1;5,1,2
MTC720-26
29
2B, 3B
5,1,1;5,1,2
MTC720-25
31
3B, 3C
5,1,2;5,2,2
MTC720-19
30
2B, 3B
5,1,1;5,1,2
MTC720-73
1
1A, 2A
5,0,0;5,0,1
MTC720-72
2
2B, 2C
5,1,1;5,2,1
MTC720-69
9
1B, 2C
5,2,1;5,1,0
MTC720-68
13
2A
5,0,1
MTC720-67
14
2B
5,1,1
MTC720-66
17
1B
5,1,0
MTC720-65
18
1B
5,1,0
MTC720-62
23
1A, 1B
5,0,0;5,1,0
MTC720-95
40
1C, 2C
4,2,1;4,2,0
MTC720-96
69
2A
0,0,1
MTC720-97
27
3A
1,0,2
MTC720-98
1B, 1C, 2A, 2B, 3A
1,0,2;1,0,1;1,1,1;1,1,0;1,2,0
MTC720-103
15
1A, 2A
4,0,1;4,0,0
MTC720-108
26
2A, 2B, 2C, 3B
2,0,1;2,1,1;2,1,2;2,2,1
Nenhum item corresponde aos filtros de pesquisa