Despiece BA4C15

[BA4C15] BOMBA DE AGUA 4T ( 1,5" x 1,5" )

Instrucciones

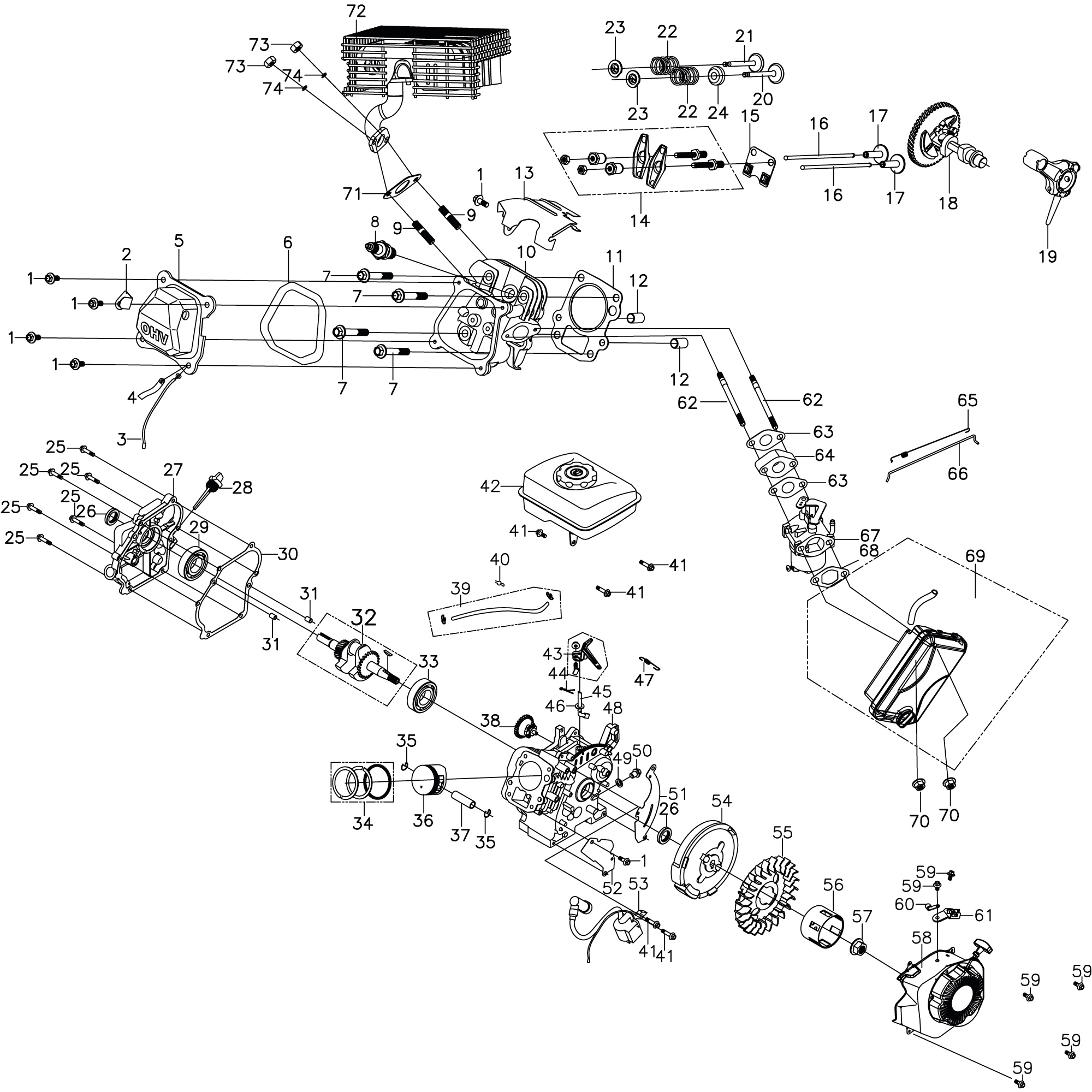
Seleccione un cuadrante del despiece para mostrar los recambios de esa zona. Puede hacer zoom en el despiece.

Ref: BA4C15 - BOMBA DE AGUA 4T ( 1,5" x 1,5" )

Ver las piezas
A
B
C
1
2
3
APOYO BOMBA MOTOR Ref: BA4C15-01
Número: 1
Cuadrantes: 1C, 2C
TAPA BOMBA Ref: BA4C15-02
Número: 2
Cuadrantes: 1C, 2C
RETÉN MECÁNICO Ref: BA4C15-13
Número: 4
Cuadrantes: 2C
JUNTA CUERPO BOMBA Ref: BA4C15-11
Número: 5
Cuadrantes: 1B, 2B, 2C
TURBINA Ref: BA4C15-03
Número: 6
Cuadrantes: 2B
CUERPO TURBINA Ref: BA4C15-04
Número: 7
Cuadrantes: 2B
JUNTA TÓRICA Ref: BA4C15-05
Número: 8
Cuadrantes: 2B
CUERPO BOMBA Ref: BA4C15-10
Número: 9
Cuadrantes: 2A, 2B, 3A, 3B
JUNTA RACOR Ref: BA4C15-12
Número: 10
Cuadrantes: 2A, 2B
JUNTA VÁLVULA RETORNO Ref: BA4C15-08
Número: 14
Cuadrantes: 2A, 3A
TAPA ENTRABA BOMBA Ref: BA4C15-09
Número: 17
Cuadrantes: 2A, 3A
RETÉN CIGÜEÑAL Ref: MA97-34
Número: 21
Cuadrantes: 1A, 1B, 1C
CULATA MOTOR Ref: MA97-15
Número: 3
Cuadrantes: 1A
JUNTA CULATA Ref: MA97-18
Número: 4
Cuadrantes: 1A
TUBO RETORNO Ref: MA97-49
Número: 12
Cuadrantes: 1A
SENSOR ACEITE Ref: MA97-38
Número: 23
Cuadrantes: 1A, 1B
JUNTA CÁRTER MOTOR Ref: MA97-27
Número: 37
Cuadrantes: 1C
REGULADOR Ref: MA97-37
Número: 34
Cuadrantes: 1B
TAPÓN CALA ACEITE Ref: MA97-17
Número: 33
Cuadrantes: 1B, 1C
CIGÜEÑAL Ref: MA97-29
Número: 45
Cuadrantes: 1C
CHAVETA CIGÜEÑAL Ref: MA97-39
Número: 46
Cuadrantes: 1C
AROS Ref: MA97-26
Número: 48
Cuadrantes: 2A
PRESILLAS Ref: MA97-25
Número: 49
Cuadrantes: 2A
BULÓN Ref: MA97-24
Número: 51
Cuadrantes: 2A
BIELA Ref: MA97-30
Número: 52
Cuadrantes: 2A
ÁRBOL LEVAS Ref: MA97-41
Número: 62
Cuadrantes: 2B
VÁLVULA ADMISIÓN Ref: MA97-19
Número: 57
Cuadrantes: 2B
VÁLVULA ESCAPE Ref: MA97-20
Número: 60
Cuadrantes: 2B
RETÉN VÁLVULA Ref: MA97-35
Número: 59
Cuadrantes: 2B
MUELLE VÁLVULA Ref: MA97-42
Número: 55
Cuadrantes: 2B
ARRANQUE COMPLETO Ref: MA97-07
Número: 63
Cuadrantes: 2B, 2C
MUELLE ARRANQUE Ref: MA97-43
Número: 68
Cuadrantes: 2C
POLEA ARRANQUE Ref: MA97-44
Número: 69
Cuadrantes: 2C
INTERRUPTOR APAGADO Ref: MA97-08
Número: 80
Cuadrantes: 2A
CARCASA ARRANQUE Ref: MA97-06
Número: 78
Cuadrantes: 2A, 3A
MÓDULO ELECTRÓNICO Ref: MA196-01
Número: 84
Cuadrantes: 2A
JUNTA BRIDA - CILINDRO Ref: MA97-31
Número: 104
Cuadrantes: 2B
BRIDA Ref: MA97-32
Número: 103
Cuadrantes: 2B
JUNTA BRIDA - CARBURADOR Ref: MA97-33
Número: 102
Cuadrantes: 2B
CARBURADOR Ref: MA97-01
Número: 101
Cuadrantes: 2B, 3B
JUNTA CARBURADOR FILTRO Ref: MA97-45
Número: 85
Cuadrantes: 2A
VASO DE ARRANQUE Ref: MA97-22
Número: 111
Cuadrantes: 2C, 3C
VENTILADOR REFRIGERACIÓN Ref: MA97-12
Número: 110
Cuadrantes: 2C, 3C
VOLANTE MOTOR Ref: MA97-16
Número: 109
Cuadrantes: 2C, 3C
BOBINA Ref: MA97-13
Número: 107
Cuadrantes: 2B, 2C
VARILLA ACELERADOR Ref: MA97-09
Número: 115
Cuadrantes: 3A
MUELLE REGULADOR Ref: MA97-11
Número: 118
Cuadrantes: 3A
FILTRO DE AIRE ESPUMA Ref: MA97-05
Número: 128
Cuadrantes: 3A, 3B
TAPA FILTRO AIRE Ref: MA97-14
Número: 126
Cuadrantes: 3A
FILTRO DE AIRE COMPLETO Ref: MA97-04
Número: 133
Cuadrantes: 3A, 3B
DEPÓSITO GASOLINA Ref: MA97-02
Número: 200
Cuadrantes: 3B, 3C
FILTRO GASOLINA HONDA Ref: 55-2542
Número: 141
Cuadrantes: 3B, 3C
ESCAPE Ref: MA97-21
Número: 147
Cuadrantes: 3C
JUNTA ESCAPE Ref: MA97-28
Número: 148
Cuadrantes: 3C
MANDO ACELERADOR Ref: MA80-01
Número:
Cuadrantes: 2B
CARBURADOR Ref: MA80-02
Número: 67
Cuadrantes: 2C
VARILLA ACELERACION Ref: MA80-03
Número: 66
Cuadrantes: 2C
ENGANCHE TUBO GASOLINA Ref: MA80-05
Número: 60
Cuadrantes: 3C
BOBINA Ref: MA80-07
Número: 53
Cuadrantes: 3B
CHAPA TAPA ENVOLVENTE Ref: MA80-08
Número: 52
Cuadrantes: 3B
PISTON Ref: MA80-12
Número: 36
Cuadrantes: 3B
JUEGO AROS Ref: MA80-13
Número: 34
Cuadrantes: 3A, 3B
CIGÜEÑAL Ref: MA80-14
Número: 32
Cuadrantes: 2A, 2B
BIELA Ref: MA80-17
Número: 19
Cuadrantes: 1C
TAQUE VALVULA Ref: MA80-18
Número: 17
Cuadrantes: 1C
VARILLA EMPUJE VALVULA Ref: MA80-19
Número: 16
Cuadrantes: 1C
JUNTA CULATA Ref: MA80-21
Número: 11
Cuadrantes: 1B
CULATA Ref: MA80-22
Número: 10
Cuadrantes: 1B
ESPARRAGO ESCAPE Ref: MA80-23
Número: 9
Cuadrantes: 1B