Despiece M437HXP

[M437HXP] MOTOSIERRA ANOVA HIGH EXTRA PRO 37c.c.

Instrucciones

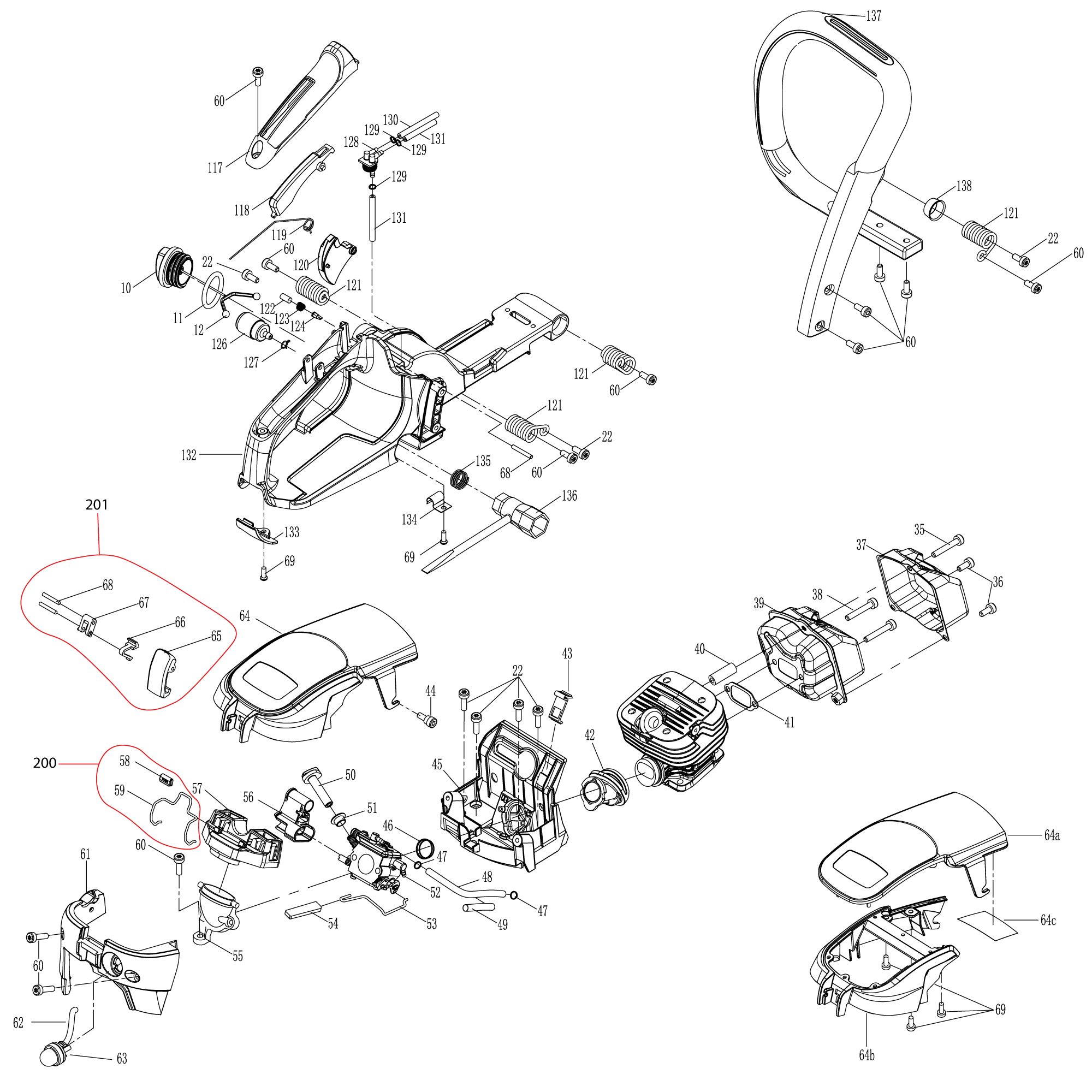
Seleccione un cuadrante del despiece para mostrar los recambios de esa zona. Puede hacer zoom en el despiece.

Ref: M437HXP - MOTOSIERRA ANOVA HIGH EXTRA PRO 37c.c.

Ver las piezas
A
B
C
1
2
3
CILINDRO Ref: M437HXP-001
Número: 2
Cuadrantes: 1B
ARO PISTÓN Ref: M437HXP-003
Número: 4
Cuadrantes: 1B
PISTÓN Ref: M437HXP-004
Número: 5
Cuadrantes: 1B
BULÓN PISTÓN Ref: M437HXP-006
Número: 7
Cuadrantes: 1B
PRESILLA PISTÓN Ref: M437HXP-007
Número: 8
Cuadrantes: 1B
JUNTA CILINDRO Ref: M437HXP-008
Número: 9
Cuadrantes: 1B
TAPÓN GASOLINA Ref: M437HXP-009
Número: 10
Cuadrantes: 1A
CÁRTER IZQUIERDO Ref: M437HXP-010
Número: 13
Cuadrantes: 1A
JUNTA CÁRTER Ref: M437HXP-012
Número: 15
Cuadrantes: 1A, 1B
RETEN CIGÜEÑAL Ref: M437HXP-013
Número: 16
Cuadrantes: 1B, 2B
CIGÜEÑAL Ref: M437HXP-014
Número: 18
Cuadrantes: 2B
CÁRTER DERECHO Ref: M437HXP-015
Número: 19
Cuadrantes: 2B, 2C
CAPTOR CADENA Ref: M437HXP-017
Número: 21
Cuadrantes: 2C
GARRA APOYO Ref: M437HXP-018
Número: 23
Cuadrantes: 2C
VÁLVULA RESPIRO Ref: M437HXP-020
Número: 25
Cuadrantes: 2C
TÓRICA 7X2 Ref: M437HXP-022
Número: 27
Cuadrantes: 2C
TENSOR CADENA Ref: M437HXP-024
Número: 201
Cuadrantes: 2C
CHAPA ESCAPE Ref: M437HXP-025
Número: 37
Cuadrantes: 2C
ESCAPE Ref: M437HXP-026
Número: 39
Cuadrantes: 2C
JUNTA ESCAPE Ref: M437HXP-027
Número: 41
Cuadrantes: 2B, 2C
BRIDA ADMISIÓN Ref: M437HXP-028
Número: 42
Cuadrantes: 3B
TORNILLO FIJACIÓN ASA Ref: M437HXP-030
Número: 44
Cuadrantes: 2B, 2C
SOPORTE CARBURADOR Ref: M437HXP-031
Número: 45
Cuadrantes: 2B, 3B
TUBO IMPULSOS Ref: M437HXP-033
Número: 48
Cuadrantes: 3B
VARILLA ACELERADOR Ref: M437HXP-036
Número: 53
Cuadrantes: 3A, 3B
SOPORTE FILTRO AIRE Ref: M437HXP-038
Número: 55
Cuadrantes: 3A
FILTRO AIRE Ref: M437HXP-040
Número: 57
Cuadrantes: 3A
CUBIERTA TRASERA Ref: M437HXP-042
Número: 61
Cuadrantes: 3A
CEBADOR Ref: M437HXP-043
Número: 63
Cuadrantes: 3A
TAPA FILTRO AIRE, CAPO MOTOR Ref: M437HXP-044
Número: 64
Cuadrantes: 2A, 2B, 3A
MUELLE ARRANQUE Ref: M437HXP-046
Número: 76
Cuadrantes: 2A
POLEA ARRANQUE Ref: M437HXP-047
Número: 77
Cuadrantes: 2A, 2B
PIÑÓN ARRANQUE FÁCIL Ref: M437HXP-049
Número: 79
Cuadrantes: 2B, 3B
ARRANQUE COMPLETO Ref: M437HXP-050
Número: 200
Cuadrantes: 2A, 2B, 3A, 3B
BOBINA Ref: M437HXP-052
Número: 82
Cuadrantes: 3B, 3C
CHAVETA VOLANTE Ref: M437HXP-054
Número: 87
Cuadrantes: 3C
VOLANTE MAGNÉTICO Ref: M437HXP-055
Número: 88
Cuadrantes: 3C
EMBRAGUE Ref: M437HXP-070
Número: 108
Cuadrantes:
CAMPANA EMBRAGUE Ref: M437HXP-071
Número: 109
Cuadrantes:
TAPA CADENA Ref: M437HXP-074
Número: 201
Cuadrantes:
GATILLO ACELERADOR Ref: M437HXP-078
Número: 120
Cuadrantes: 1A
MUELLE AMORTIGUADOR Ref: M437HXP-079
Número: 121
Cuadrantes: 1A
FILTRO RESPIRO Ref: M437HXP-080
Número: 122
Cuadrantes: 1A
DEPOSITO GASOLINA, ASA TRASERA Ref: M437HXP-083
Número: 132
Cuadrantes: 1A, 1B, 2A, 2B
ASA TRANSPORTE Ref: M437HXP-086
Número: 137
Cuadrantes: 1C
LLAVE BUJÍA Ref: M437HXP-088
Número: 136
Cuadrantes: 2B
CARBURADOR Ref: M437HXP-089
Número: 52
Cuadrantes: 3A, 3B
BOMBA ENGRASE Ref: M445HXP-004
Número: 94
Cuadrantes:
TAPA ASA TRASERA Ref: M445HXP-086
Número: 133
Cuadrantes: 2A
RODAMIENTO CIGÜEÑAL Ref: M437HXP-091
Número: 16, 17
Cuadrantes: 2B

Descargar despiece

Despiece M437HXP