Despiece MC700

MOTOAZADA ANOVA - MC700

Instrucciones

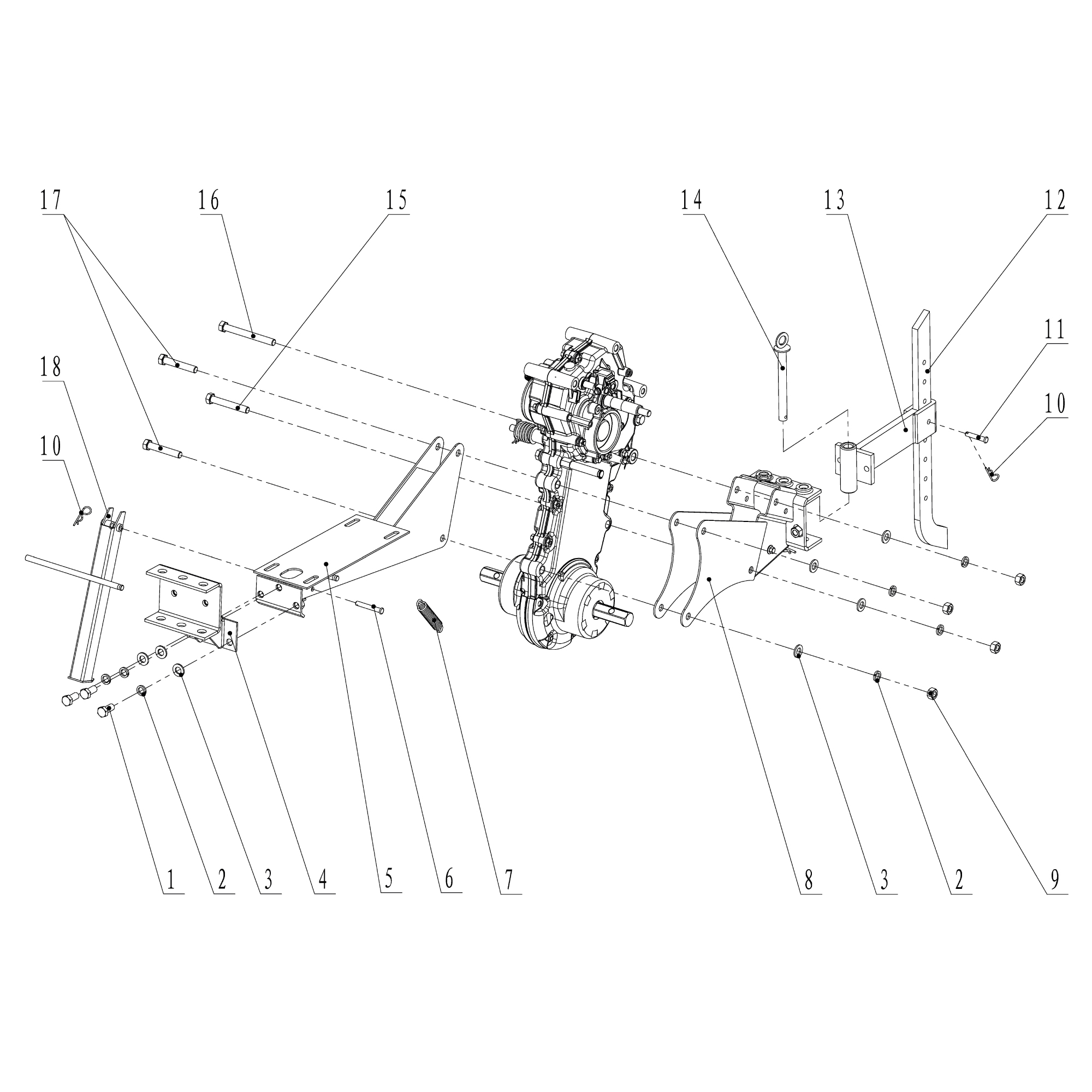
Seleccione un cuadrante del despiece para mostrar los recambios de esa zona. Puede hacer zoom en el despiece.

Ref: MC700 - MOTOAZADA ANOVA - MC700

Ver las piezas
A
B
C
1
2
3
INTERRUPTOR APAGADO Ref: MC500-48
Número: 12
Cuadrantes: 1B, 1C
CAJA VELOCIDADES COMPLETA 6+2 MARCHAS Ref: MC700-001
Número:
Cuadrantes: 1A, 1B, 1C, 2A, 2B, 2C, 3A, 3B, 3C
PROTECTOR CAMBIO Ref: MC700-002
Número: 1
Cuadrantes: 2A, 3C
CARCASA IZQ CAMBIO Ref: MC700-003
Número: 2
Cuadrantes: 2C, 3C
CARCASA DRCH CAMBIO Ref: MC700-004
Número: 13
Cuadrantes: 1B, 2A, 2B, 3A
RETEN CUCHILLAS Ref: MC700-005
Número: 14
Cuadrantes: 2A
RETEN CAMBIO 20×35×7 Ref: MC700-006
Número: 26
Cuadrantes: 1A, 2A
TAPON PEQUEÑO CAMBIO Ref: MC700-007
Número: 35
Cuadrantes: 1A
TAPON LLENADO ACEITE Ref: MC700-009
Número: 36
Cuadrantes: 1A, 1B
ENGANCHE DE ARRASTRE Ref: MC700-014
Número: 8
Cuadrantes: 2B, 2C, 3C
EJE APOYO Ref: MC700-015
Número: 12
Cuadrantes: 1C, 2C
PASADOR ENGANCHE APEROS Ref: MC700-016
Número: 14
Cuadrantes: 1B, 1C, 2C
EJE APOYO DELANTERO Ref: MC700-017
Número: 18
Cuadrantes: 1A, 2A
ENGANCHE MANILLAR Ref: MC700-018
Número: 3
Cuadrantes: 1A, 2B
BRAZO MANILLAR Ref: MC700-020
Número: 6
Cuadrantes: 1B, 1C, 2B
CABLE GIRO Ref: MC700-022
Número: 4
Cuadrantes: 1A, 1B, 2B
CABLE ACELERADOR Ref: MC700-023
Número: 5
Cuadrantes: 1A, 1B, 2B
CAJA HERRAMIENTAS Ref: MC700-024
Número: 8
Cuadrantes: 1B
MANDO ACELERADOR Ref: MC700-025
Número: 11
Cuadrantes: 1B, 1C
MANETA GOMA Ref: MC700-026
Número: 13
Cuadrantes: 1B, 1C
MANETA EMBRAGUE Ref: MC700-027
Número: 14
Cuadrantes: 1C
MANETA CABLE GIRO Ref: MC700-028
Número: 16
Cuadrantes: 1C, 2C
CABLE EMBRAGUE Ref: MC700-029
Número: 18
Cuadrantes: 1B, 2B, 2C
CONECTOR PALANCA CAMBIO Ref: MC700-031
Número: 6
Cuadrantes: 2B, 3C
MUELLE PALANCA CAMBIO Ref: MC700-032
Número: 7
Cuadrantes: 2B, 2C
TAPA CORREA Ref: MC700-034
Número: 2
Cuadrantes: 2C, 3C
CORREA 17×1136LW Ref: MC700-035
Número: 3
Cuadrantes: 2B, 2C, 3C
POLEA SALIDA MOTOR MC720 Ref: MC700-036
Número: 6
Cuadrantes: 2B, 3B
GUIA CORREA SALIDA MOTOR Ref: MC700-037
Número: 8
Cuadrantes: 2B, 3B
GUIA CORREA SALIDA MOTOR Ref: MC700-038
Número: 9
Cuadrantes: 2B, 3A
PLATINA ENGANCHE CHAPA TRASERA Ref: MC700-040
Número: 12
Cuadrantes: 1A, 1B, 2A
MUELLE POLEA TENSORA Ref: MC700-041
Número: 13
Cuadrantes: 1B, 2A
POLEA TENSORA Ref: MC700-042
Número: 14
Cuadrantes: 1B, 2A
POLEA DOBLE GRANDE Ref: MC700-043
Número: 18
Cuadrantes: 1C, 2B
ENGANCHE EJE RUEDA Ref: MC700-044
Número: 2
Cuadrantes: 2A, 3A
EJE RUEDAS Ref: MC700-045
Número: 4
Cuadrantes: 2A, 3A
PASADOR EJE RUEDA Ref: MC700-046
Número: 6
Cuadrantes: 2A, 2A, 2A, 2B, 2B, 3A, 3B, 3C
EJE CUCHILLAS Ref: MC700-047
Número: 2
Cuadrantes: 2A, 2C, 3A, 3C
CUCHILLA DERECHA Ref: MC700-048
Número: 6
Cuadrantes: 2A, 2B, 2C, 3A, 3B, 3C
CUCHILLA IZQUIERDA Ref: MC700-049
Número: 3
Cuadrantes: 2A, 2B, 2C, 3A, 3B, 3C
BOLA 8MM CAJA CAMBIOS Ref: MC700-050
Número: 9
Cuadrantes: 2B, 3B
RUEDA GOMA 5.00 X 12 Ref: MC700-2
Número: 7
Cuadrantes: 2A, 2B, 3B
CAMARA Ref: MC700-3
Número: 13
Cuadrantes: 2A, 2B

Descargar despiece

Despiece MC700