[TPB4500] TIJERA DE PODA BATERÍA ANOVA - TPB4500
Instrucciones
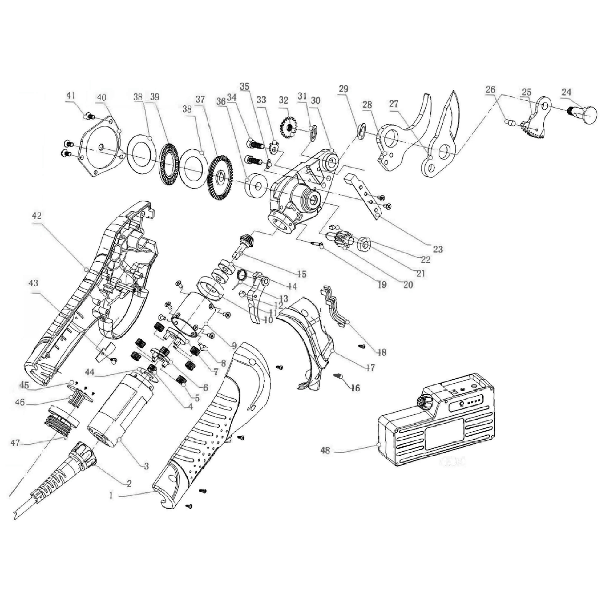
Seleccione un cuadrante del despiece para mostrar los recambios de esa zona. Puede hacer zoom en el despiece.
A
B
C
1
2
3
TPB4500-01
45. 46, 47
2A, 3A
0,0,1;0,0,2
TPB4500-03
2
3A
0,0,2
TPB4500-047
44
2A
0,0,1
TPB4500-07
27, 28
1B, 1C
0,1,0;0,2,0
TPB4500-10
3
2A, 3A
0,0,1;0,0,2
TPB4500-13
1, 47
2B, 3A, 3B
0,0,2;0,1,1;0,1,2
TORNILLO SUJECION CUCHILLAS TIJERA CON TUERCA DENTADA TPB4500
Ref: TPB4500-14
Número: 24, 32
Cuadrantes: 1B, 1C
TPB4500-14
24, 32
1B, 1C
0,1,0;0,2,0
TPB4500-16
1, 42, 47
2A, 2B, 3A, 3B
0,0,1;0,1,1;0,1,2;0,0,2
CABLE CONEXIÓN BATERÍA - TIJERA TPB4500 (2019) ROSCA AMBOS EXTREMOS
Ref: TPB4500-19
Número: 2
Cuadrantes: 3A
TPB4500-19
2
3A
0,0,2
TPB4500-20
48
2C, 3B, 3C
0,1,2;0,2,1;0,2,2
TPB4500-22
25, 26
1C
0,2,0
TPB4500-25
22
2B, 2C
0,1,1;0,2,1
TRINQUETE CORONA SEGURO TUERCA APRIETE CUCHILLAS TPB4500 (33)
Ref: TPB4500-26
Número: 33
Cuadrantes: 1B
TPB4500-26
33
1B
0,1,0
TPB4500-27
18
2B, 2C
0,1,1;0,2,1
TPB4500-28
9
2A, 2B
0,0,1;0,1,1
PIÑON ACCIONAMIENTO BIELA CUCHILLAS TPB4500 (MODELO 2019) (20)
Ref: TPB4500-29
Número: 20
Cuadrantes: 2B, 2C
TPB4500-29
20
2B, 2C
0,1,1;0,2,1
CORONA ACCIONAMIENTO CUCHILLAS TIJERA PODA TPB4500 ( 37)
Ref: TPB4500-37
Número: 37
Cuadrantes: 1A, 1B
TPB4500-37
37
1A, 1B
0,0,0;0,1,0
TPB4500-42
30
1B, 2B
0,1,0;0,1,1
TPB4500-43
28
1B, 1C
0,1,0;0,2,0
TPB4500-44
38, 39
1A, 1B
0,0,0;0,1,0
TPB4500-45
40
1A
0,0,0
TPB4500-47
44
2A
0,0,1
TPB4500-48
45
2A
0,0,1
TPB4500-51
28
1B, 1C
0,1,0;0,2,0
TPB4500-52
29
1B, 1C
0,1,0;0,2,0
TPB4500-53
22
2B, 2C
0,1,1;0,2,1
Ninguna pieza se corresponde con los filtros de búsqueda