[ZT107H] GIRO CERO ANOVA 107CM - LONCIN 546CC - HIDROSTÁTICO
Instrucciones
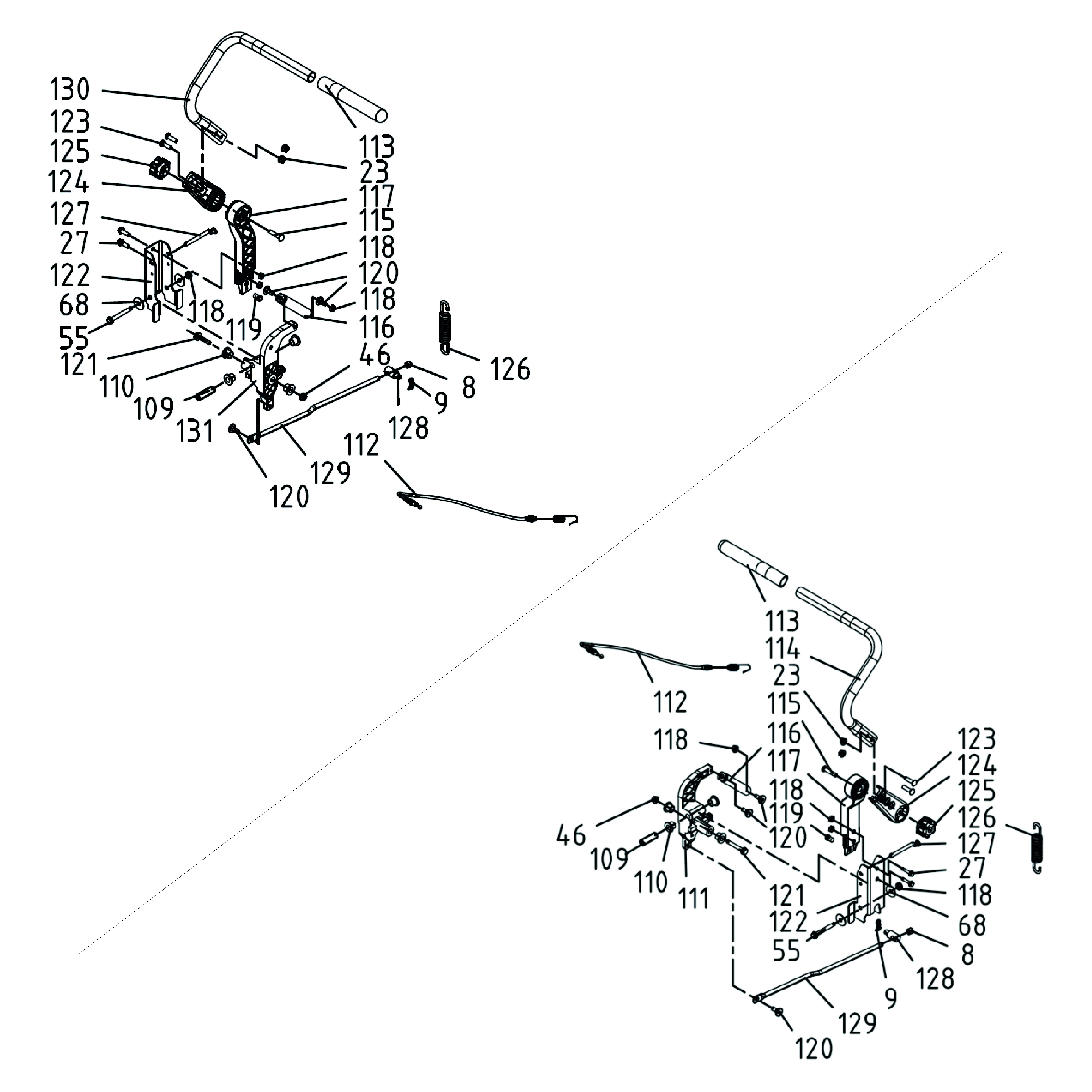
Seleccione un cuadrante del despiece para mostrar los recambios de esa zona. Puede hacer zoom en el despiece.
Ref: ZT107H - GIRO CERO ANOVA 107CM - LONCIN 546CC - HIDROSTÁTICO
ZT107H-001
3 (B)
2A
1,0,1
ZT107H-002
5 (B)
2A
1,0,1
ZT107H-003
6 (B)
1A, 2A
1,0,1;1,0,0
ZT107H-004
7 (B)
1A, 2A
1,0,1;1,0,0
ZT107H-006
12 (B)
1A, 2A
1,0,1;1,0,0
ZT107H-007
14 (B)
1A
1,0,0
ZT107H-008
17 (B)
2A, 2B
1,1,1;1,0,1
ZT107H-009
19 (B)
1A
1,0,0
ZT107H-010
20 (B)
1A
1,0,0
ZT107H-011
21 (B)
1A
1,0,0
ZT107H-012
26 (B)
1A
1,0,0
ZT107H-013
28 (B)
1A
1,0,0
ZT107H-014
29 (B)
1A
1,0,0
ZT107H-015
30 (B)
1A, 1B
1,1,0;1,0,0
ZT107H-016
31 (B)
1A
1,0,0
ZT107H-017
35 (B)
1A
1,0,0
ZT107H-018
36 (B)
1A
1,0,0
ZT107H-020
39 (B)
1A
1,0,0
ZT107H-021
41 (B)
1A
1,0,0
ZT107H-022
42 (B)
1A
1,0,0
ZT107H-023
43 (B)
1A
1,0,0
ZT107H-024
44 (B)
1A
1,0,0
ZT107H-025
45 (B)
1A
1,0,0
PLATINA SOPORTE IZQUIERDO ALTURA DE CORTE ZT107H (B47)
Ref: ZT107H-026
Número: 47 (B)
Cuadrantes: 3B, 3C
ZT107H-026
47 (B)
3B, 3C
1,1,2;1,2,2
ZT107H-027
52 (B)
3B
1,1,2
ZT107H-028
53 (B)
3C
1,2,2
EJE ELEVACIÓN PLATAFORMA DE CORTE ZT107H (B54)
Ref: ZT107H-029
Número: 54 (B)
Cuadrantes: 2B, 3B, 3C
ZT107H-029
54 (B)
2B, 3B, 3C
1,2,2;1,1,2;1,1,1
GRAPA EJE ELEVACIÓN PLATAFORMA DE CORTE ZT107H (B56)
Ref: ZT107H-030
Número: 56 (B)
Cuadrantes: 2C, 3C
ZT107H-030
56 (B)
2C, 3C
1,2,1;1,2,2
MUELLE EJE ELEVACIÓN PLATAFORMA DE CORTE ZT107H (B57)
Ref: ZT107H-031
Número: 57 (B)
Cuadrantes: 2B, 2C
ZT107H-031
57 (B)
2B, 2C
1,1,1;1,2,1
ZT107H-032
58 (B)
3C
1,2,2
ZT107H-033
59 (B)
2C, 3C
1,2,1;1,2,2
ZT107H-034
62 (C)
3A, 3B
2,0,2;2,1,2
ZT107H-035
63 (C)
3A, 3B
2,0,2;2,1,2
ZT107H-036
64 (C)
3A, 3B
2,0,2;2,1,2
ZT107H-037
65 (C)
3A, 3B
2,1,2;2,0,2
ZT107H-038
66 (C)
3B
2,1,2
ZT107H-039
69 (C)
2B, 3B
2,1,2;2,1,1
ZT107H-040
73 (C)
2A, 2B
2,0,1;2,1,1
ZT107H-041
77 (C)
2B
2,1,1
ZT107H-042
78 (C)
2B
2,1,1
ZT107H-043
79 (C)
2B
2,1,1
ZT107H-044
80(C)
1B, 2B
2,1,1;2,1,0
ZT107H-045
82 (C)
2B
2,1,1
ZT107H-046
83 (C)
1B, 2B
2,1,1;2,1,0
ZT107H-047
87 (C)
2C
2,2,1
ZT107H-048
89 (C)
2C
2,2,1
ZT107H-049
90 (C)
2C
2,2,1
ZT107H-050
92 (C)
2B, 2C
2,2,1;2,1,1
ZT107H-051
93 (C)
2B
2,1,1
ZT107H-052
94 (C)
2B
2,1,1
ZT107H-053
95 (C)
2B, 3B
2,1,1;2,1,2
CASQUILLO SOPORTE POLEA TENSORA TRACCION ZT107H (C96)
Ref: ZT107H-054
Número: 96 (C)
Cuadrantes: 1A, 2B
ZT107H-054
96 (C)
1A, 2B
0,0,0;2,1,1
ZT107H-055
97 (C)
3B
2,1,2
ZT107H-056
98 (D)
2B, 3C
3,2,2;3,1,1
ZT107H-057
100 (D)
2B, 3B, 3C
3,2,2;3,1,2;3,1,1
ZT107H-058
101 (D)
3B, 3C
3,1,2;3,2,2
ZT107H-059
102 (D)
3B
3,1,2
ZT107H-060
103 (D)
3C
3,2,2
ZT107H-061
105 (D)
3B
3,1,2
ZT107H-062
106 (D)
3C
3,2,2
ZT107H-063
107 (D)
3C
3,2,2
ZT107H-064
108 (D)
3C
3,2,2
ZT107H-065
109 (A)
3B
0,1,2
ZT107H-066
110 (A)
3B
0,1,2
ZT107H-067
111 (A)
3B
0,1,2
ZT107H-068
112 (A)
2B
0,1,1
POMO GOMA PALANCA ACCIONAMIENTO ZT107H (A113)
Ref: ZT107H-069
Número: 113 (A)
Cuadrantes: 1A, 1B, 2C
ZT107H-069
113 (A)
1A, 1B, 2C
0,1,0;0,0,0;0,2,1
ZT107H-070
114 (A)
2C
0,2,1
ZT107H-071
116 (A)
1A, 1B, 3C
0,2,2;0,0,0;0,1,0
ZT107H-072
117 (A)
3C
0,2,2
ZT107H-073
122 (A)
1A, 3C
0,0,0;0,2,2
ZT107H-074
124 (A)
1A, 3C
0,0,0;0,2,2
ZT107H-075
125 (A)
1A, 3C
0,0,0;0,2,2
MUELLE RETORNO PALANCA ACCIONAMIENTO ZT107H (B126)
Ref: ZT107H-076
Número: 126 (A)
Cuadrantes: 1B, 3C
ZT107H-076
126 (A)
1B, 3C
0,1,0;0,2,2
ACOPLE VARILLA PALANCA ACCIONAMIENTO ZT107H (A128)
Ref: ZT107H-077
Número: 128 (A)
Cuadrantes: 2B, 3C
ZT107H-077
128 (A)
2B, 3C
0,1,1;0,2,2
ZT107H-078
129 (A)
2A, 3C
0,0,1;0,2,2
ZT107H-079
130 (A)
1A
0,0,0
ZT107H-080
133 (C)
1A
2,0,0
ZT107H-081
134 (C)
1A, 1B
2,0,0;2,1,0
ZT107H-082
135 (C)
1A, 1B
2,0,0;2,1,0
PALOMILLA GUIA DESPLAZAMIENTO ASIENTO ZT107H (C138)
Ref: ZT107H-083
Número: 138 (C)
Cuadrantes: 1A, 1B
ZT107H-083
138 (C)
1A, 1B
2,1,0;2,0,0
ZT107H-084
142, 143 (C)
1B
2,1,0
ZT107H-085
146 (C)
1B
2,1,0
ZT107H-086
147 (C)
1B
2,1,0
ZT107H-087
148 (C)
1B
2,1,0
ZT107H-089
152 (C)
1C
2,2,0
ZT107H-090
153 (C)
1C
2,2,0
ZT107H-091
155 (C)
1C
2,2,0
ZT107H-092
156 (D)
1A
3,0,0
ZT107H-093
158 (D)
1A
3,0,0
ZT107H-094
159 (D)
1A, 2A
3,0,1;3,0,0
ZT107H-095
160 (D)
1A
3,0,0
ZT107H-096
161, 162, 163 (D)
1A
3,0,0
ZT107H-097
165 (D)
1A
3,0,0
LLAVE DE CONTACTO ARRANQUE ZT107H (D166-168)
Ref: ZT107H-098
Número: 166 , 168 (D)
Cuadrantes: 1A, 1B
ZT107H-098
166 , 168 (D)
1A, 1B
3,0,0;3,1,0
ZT107H-099
167 (D)
1A, 1B
3,0,0;3,1,0
ZT107H-100
170 (D)
1A
3,0,0
ZT107H-101
171(D)
2A
3,0,1
ZT107H-102
172, 173, 174 (D)
1B
3,1,0
ZT107H-103
176 (D)
2B
3,1,1
ZT107H-104
177 (D)
2B
3,1,1
ZT107H-106
181 (B)
1B, 1C
1,2,0;1,1,0
ZT107H-107
183 (B)
1C
1,2,0
ZT107H-108
187 (B)
1B
1,1,0
ZT107H-109
189 (B)
1B
1,1,0
ZT107H-110
190(B)
1B, 2B
1,1,1;1,1,0
ZT107H-111
191 (D)
3B
3,1,2
ZT107H-112
192 (D)
3B
3,1,2
ZT107H-113
193 (D)
3B
3,1,2
ZT107H-114
131 (A)
1A, 2A
0,0,1;0,0,0
Ninguna pieza se corresponde con los filtros de búsqueda